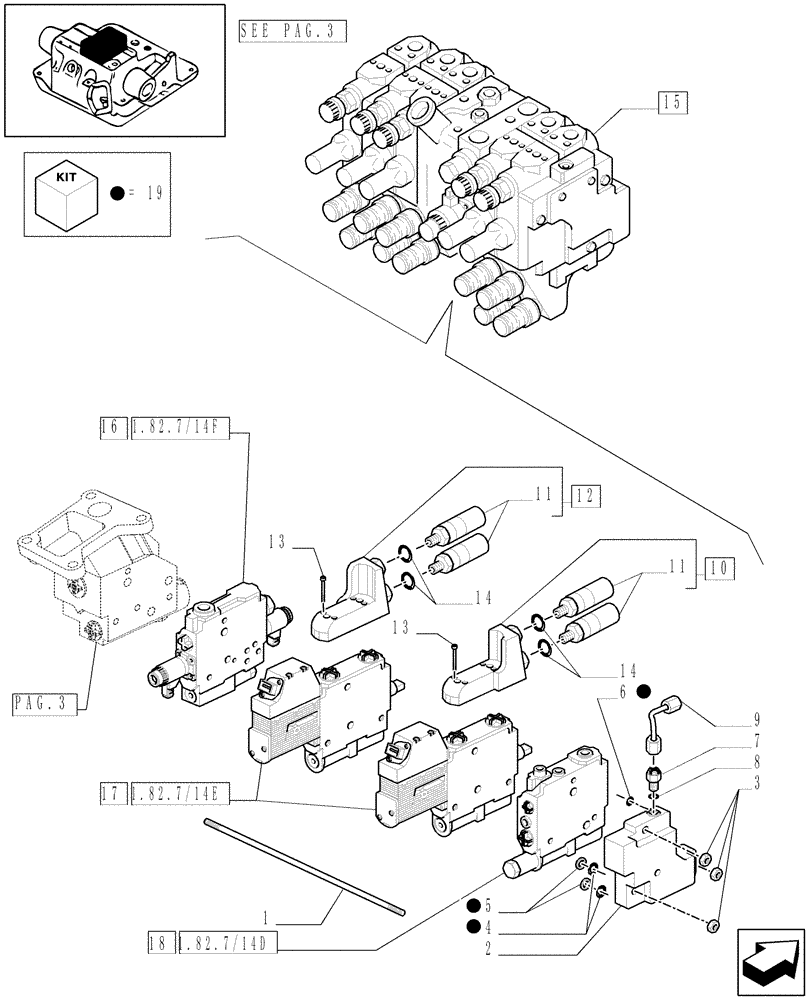
Запчасти Case IH MXM175 (1.82.7/14[04]) - (VAR.252) BATTERY WITH FIVE CONTROL VALVES WITH ELECTRONIC CONTROL - D5504 (07) - HYDRAULIC SYSTEM

Схема запчастей Case IH MXM175 - (1.82.7/14[04]) - (VAR.252) BATTERY WITH FIVE CONTROL VALVES WITH ELECTRONIC CONTROL - D5504 (07) - HYDRAULIC SYSTEM
1.82.7/14d
14
11
13
16
1.82.7/14e
19
14
15
6
pag.3
see pag.3
10
4
19
17
11
19
13
2
8
5
9
7
3
1
1.82.7/14f
18
19
12
FIT
1:1
100%

Артикул

Название

Примечание

Количество

1

47123183

STUD,M8

3шт.

2

5195157

COVER

Incl. 4, 5, 6

1шт.

3

5195169

NUT,M8

3шт.

4

5190751

O-RING,2.5mm Thk x 18mm ID

18 x 2.5

2шт.

5

5195150

BACK-UP RING

2шт.

6

81862872

O-RING,2.4mm Thk x 19.6mm ID

19.6 x 2.4

1шт.

7

5191704

CHECK VALVE

1шт.

8

5191705

O-RING,9.4mm D x 2.1mm Thk

1шт.

9

47126999

HYD TUBE

1шт.

10

87381981

HYDRAULIC MANIFOLD

is faster 4bm10, Assy

1шт.

11

87381944

COUPLING, QUICK, FEM

4шт.

12

87381982

HYDRAULIC MANIFOLD

is faster 4bm11, Assy

1шт.

13

14305971

HEX SOC SCREW,M6 x 45mm, Cl 12.9

8шт.

14

14438085

O-RING,19.3mm ID x 2.4mm

4шт.

15

87553796

CONTROL VALVE

1шт.

16

87553795

CONTROL VALVE

1шт.

17

87531906

HYD VALVE SECTION

2шт.

18

47123176

HYD VALVE SECTION

1шт.

19

47126963

SEAL

1шт.

Выбрано товаров: 19