Запчасти Case IH MXM190 (1.32.2/05[02]) - (VAR.147/1) FULL POWER SHIFT GEAR CHANGE 19X6 (50 KM/H) - CENTRAL GEAR REDUCTION CONTROLS (03) - TRANSMISSION

Схема запчастей Case IH MXM190 - (1.32.2/05[02]) - (VAR.147/1) FULL POWER SHIFT GEAR CHANGE 19X6 (50 KM/H) - CENTRAL GEAR REDUCTION CONTROLS (03) - TRANSMISSION
5
2
1
14
16
6
21
12
20
15
10
19
13
18
9
11
17
4
17
3
7
pag.1
8
FIT
1:1
100%

Артикул

Название

Примечание

Количество

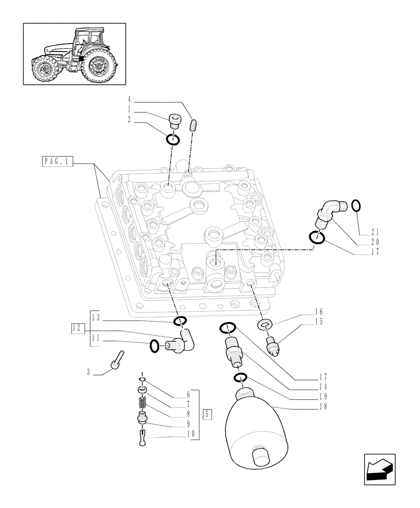
1

10119311

PLUG,M16 x 1.5 x 12, Cl5.8

1шт.

2

14437885

O-RING,13.30mm ID x 2.40mm

1шт.

3

14306331

HEX SOC SCREW,M8 x 1.25 x 20mm, Cl 10.9, Full Thd

8шт.

4

14324011

PLUG,Taper Pipe, Sq Hd, M10 x 1 x 14mm, Cl 5.8

M10 x 1

1шт.

5

5170391

VALVE

1шт.

6

5165486

CIRCLIP,9mm

1шт.

7

5165438

SHIM,9.1mm ID x 13.5mm OD x 2.5mm Thk

1шт.

8

5105968

SPRING

1шт.

9

5165488

HYD CONNECTOR,M18 x 1.5, 9 mm L

1шт.

10

5165484

VALVE

1шт.

11

5185511

O-RING,1.78mm Thk x 12.42mm ID, 85 Duro

M12.42 ID x 1.78 Thk

1шт.

12

5185052

90 ELBOW,13/16"-16 x M18 x 1.5

Incl. 11, 13

1шт.

13

14437985

O-RING,15.3mm ID x 2.4mm

1шт.

14

5186462

HYD CONNECTOR,M18 x 1.5 x 43.5mm

1шт.

15

82031395

SWITCH ASSY

Trans. Oil

1шт.

16

2854292

SEALING WASHER,12mm ID x 17mm OD x 1.5mm Thk

1шт.

17

14438085

O-RING,19.3mm ID x 2.4mm

2шт.

18

5195043

ACCUMULATOR,0.75L

1шт.

19

14453181

O-RING,0.489" ID x 0.07" Width

1шт.

20

5192286

90 ELBOW,1-14" ORFS x M22 x 1.5

1"-14, M22 x 1.5, Incl. 17, 21

1шт.

21

5185512

O-RING,0.07" Thk x 0.614" ID, -16, Cl 6, 90 Duro

1шт.

Выбрано товаров: 21