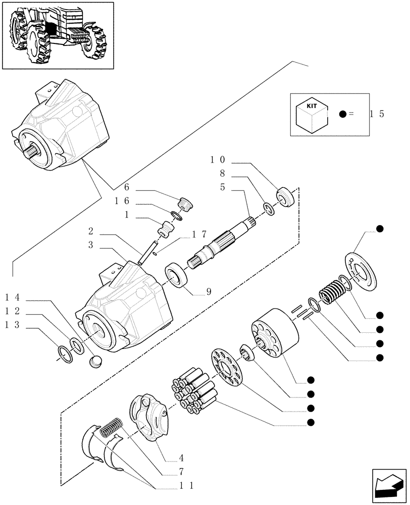
Запчасти Case IH MXM190 (1.32.8/02A) - PUMPS FOR HYDRAULIC SYSTEM AND LIFT - BREAKDOWN (03) - TRANSMISSION

Схема запчастей Case IH MXM190 - (1.32.8/02A) - PUMPS FOR HYDRAULIC SYSTEM AND LIFT - BREAKDOWN (03) - TRANSMISSION
15
15
6
11
15
7
12
4
5
8
15
3
10
15
9
16
1
2
15
15
13
17
14
15
15
15
FIT
1:1
100%

Артикул

Название

Примечание

Количество

1

47127239

PISTON

1шт.

2

47127240

PISTON ROD

1шт.

3

47127241

HOUSING

1шт.

4

47127242

PLATE

1шт.

5

47127243

SHAFT

1шт.

6

47127244

PLUG

1шт.

7

47127245

SPRING

1шт.

8

47127246

SHIM

1шт.

9

47127247

TAPERED BEARING

1шт.

10

47127248

TAPERED BEARING

1шт.

11

47127249

BUSHING

2шт.

12

47127250

SEAL

1шт.

13

47127251

LOCKING RING

1шт.

14

47127252

SCREW

1шт.

15

47127253

REPAIR KIT

1шт.

16

47127262

O-RING

1шт.

17

47127263

SEALING RING

1шт.

Выбрано товаров: 17