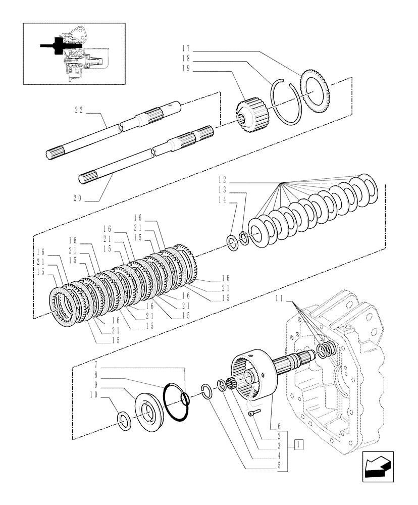
Запчасти Case IH MXM190 (1.80.7/07) - (VAR.147/1) FULL POWER SHIFT GEAR CHANGE 19X6 (50 KM/H) - PTO CLUTCH (07) - HYDRAULIC SYSTEM

Схема запчастей Case IH MXM190 - (1.80.7/07) - (VAR.147/1) FULL POWER SHIFT GEAR CHANGE 19X6 (50 KM/H) - PTO CLUTCH (07) - HYDRAULIC SYSTEM
15
12
4
13
16
21
21
2
1
15
6
15
10
7
15
14
5
16
9
21
22
16
18
20
16
17
21
15
21
16
8
15
16
3
15
11
21
16
16
21
21
15
19
FIT
1:1
100%

Артикул

Название

Примечание

Количество

1

5182713

SHAFT

1шт.

2

5182714

TUBE

1шт.

3

5138952

NEEDLE BEARING,Needle, 25mm ID x 32mm OD x 26mm W

1шт.

4

5182702

GASKET,25mm ID x 33mm OD x 4mm Thk

1шт.

5

5182717

SNAP RING,1.5mm Thk

1шт.

6

5182712

SHAFT

1шт.

7

5162252

GASKET,68mm ID x 75.5mm OD x 3.2mm Thk

1шт.

8

5182703

GASKET,119.55mm ID x 127mm OD x 3.2mm Thk

1шт.

9

5182697

PISTON

1шт.

10

5182696

PISTON RING,56mm ID x 72.99mm OD x 3mm Thk

1шт.

11

5175983

SEALING RING,46mm ID

SEALRING

3шт.

12

5168346

BELLEVILLE WASHER,56mm ID x 80mm OD x 3.3mm Thk

12шт.

13

5191305

CIRCLIP,54mm ID

1шт.

14

5191304

RETAINER CUP,55mm ID x 66mm OD x 3mm Thk

1шт.

15

5159755

CLUTCH PLATE

Friction

8шт.

16

5173295

CLUTCH DISC,99mm ID x 152.6mm OD x 2.2mm Thk

CLUTCH DISK

8шт.

17

5178984

CLUTCH PLATE,99mm ID x 152.8mm OD x 9.5mm Thk

1шт.

18

5162251

CIRCLIP,142.5mm ID

1шт.

19

5182704

HUB

1шт.

20

5195116

SHAFT

, Serial Range: -C5021

1шт.

21

81864341

SPRING,148.35mm ID

8шт.

22

47136139

SHAFT

, Start Serial: D5021

1шт.

Выбрано товаров: 22