Запчасти Case IH MXU110 (1.82.7/04[01]) - (VAR.255/1) 2 CCLS (EDC) CONTROL VALVES WITH TRAILER BRAKE VALVE AND ASSOCIATED PARTS - C5504 (07) - HYDRAULIC SYSTEM

Схема запчастей Case IH MXU110 - (1.82.7/04[01]) - (VAR.255/1) 2 CCLS (EDC) CONTROL VALVES WITH TRAILER BRAKE VALVE AND ASSOCIATED PARTS - C5504 (07) - HYDRAULIC SYSTEM
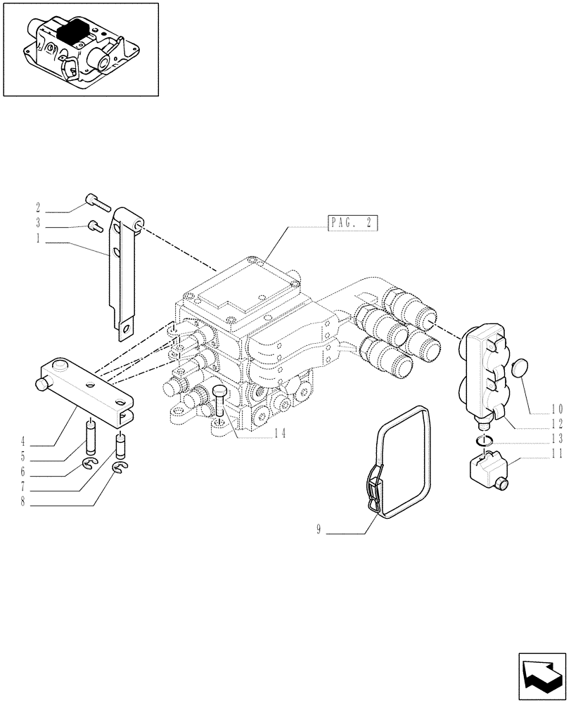
11
6
9
1
14
5
4
10
12
2
8
pag. 2
7
13
3
FIT
1:1
100%

Артикул

Название

Примечание

Количество

1

5197907

BRACKET

1шт.

2

14306731

HEX SOC SCREW,M8 x 1.25 x 40mm, Cl 10.9, Full Thd

1шт.

3

14306424

HEX SOC SCREW,M8 x 1.25 x 25mm, Cl 8.8, Full Thd

1шт.

4

47128010

LEVER

2шт.

5

5193177

PIN,6mm OD x 29.48mm L

2шт.

6

11063971

SPRING CLIP,M6

D=6

4шт.

7

5113008

PIN,8mm OD x 26mm L

D=8

2шт.

8

11065676

SNAP RING,M8, Ext

4шт.

9

82031973

SPRING CLIP

1шт.

10

82029895

DISC,20mm D, Black

Black

4шт.

11

82031972

RESERVOIR, HYDRAULIC

100mm wide

1шт.

12

82035718

DUST CAP

INCL.10

2шт.

13

82029356

SEAL,20.00mm OD x 3.00mm

2шт.

14

14307524

HEX SOC SCREW,M10 x 1.25 x 30mm, Cl 8.8, Full Thd

3шт.

Выбрано товаров: 14