Запчасти Case IH MXU110 (1.33.3/01[01]) - (VAR.437) 4WD - 98" LONG AXLE FOR STEEL DISK - TRANSMISSION GEARING (04) - FRONT AXLE & STEERING

Схема запчастей Case IH MXU110 - (1.33.3/01[01]) - (VAR.437) 4WD - 98" LONG AXLE FOR STEEL DISK - TRANSMISSION GEARING (04) - FRONT AXLE & STEERING
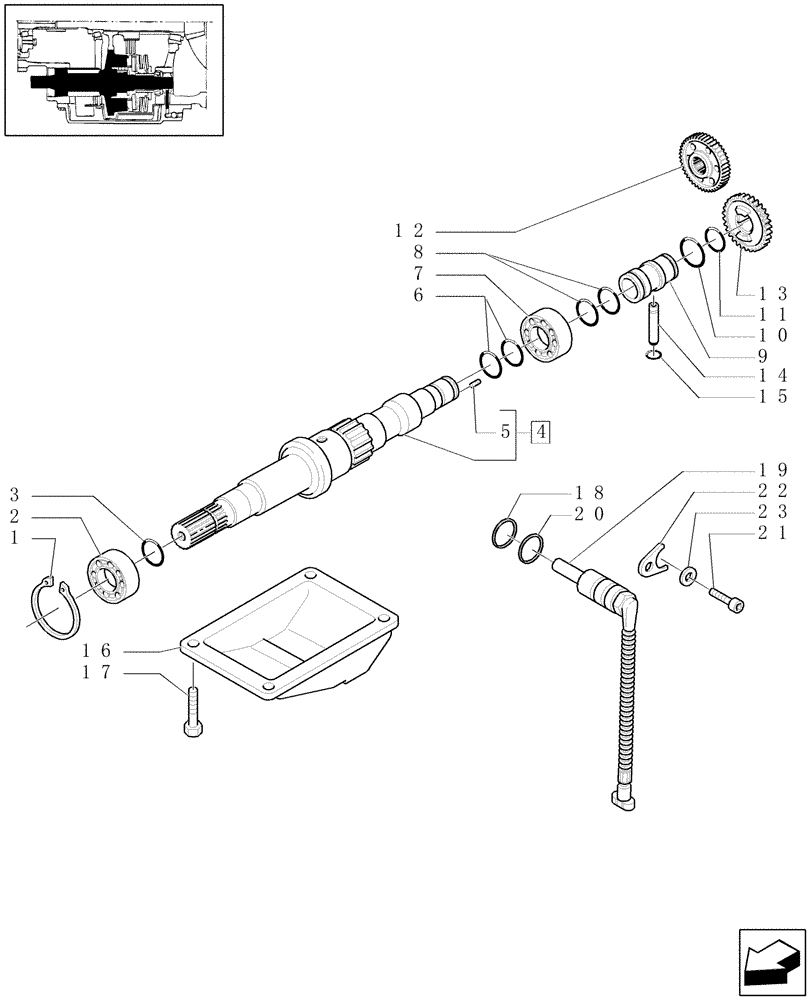
6
21
5
20
2
7
8
16
3
11
15
4
18
1
17
10
12
9
23
22
19
14
13
FIT
1:1
100%

Артикул

Название

Примечание

Количество

1

11062176

CIRCLIP,M85, Int

1шт.

2

80037198

BALL BEARING

45X85X19

1шт.

3

14458081

O-RING,1.112" ID x 0.103" Width

1шт.

4

5198208

SHAFT

Includes Ref.5

1шт.

5

13789620

SET SCREW,Hex Soc, M8 x 10mm, Flat Pt

1шт.

6

14458680

O-RING,0.103" Thk x 1.487" ID, -128, Cl 5, 75 Duro

2шт.

7

20045200

BALL BEARING,35mm ID x 80mm OD x 21mm

35X80X21

1шт.

8

5185502

PISTON RING,28.5mm ID x 32mm OD x 2.1mm Thk

SEALRING

2шт.

9

47126668

MANIFOLD

1шт.

10

14459180

O-RING,45.69mm ID x 2.62"

1шт.

11

14458881

O-RING,1.612" ID x 0.103" Width

1шт.

12

5193853

GEAR,37T

37 teeth

1шт.

13

47126738

DRIVEN GEAR

1шт.

Z=54; Width=54MM

1шт.

14

47126672

PIN,10.5mm OD x 46.6mm L

1шт.

15

14452881

O-RING,7.65mm ID x 1.78" Width

1шт.

16

5193851

SHIELD

1шт.

17

15970524

BOLT,Hex, M10 x 1.25 x 20mm, Cl 8.8, Full Thd

4шт.

18

5135740

O-RING,0.924" ID x 1.13" OD x 0.103"

1шт.

19

87564762

SENSOR

Speed, Push Fit, Flywheel

1шт.

20

80128825

O-RING,0.087" Thk x 0.644" ID, -908, Cl 6, 90 Duro

90 Duro, .644" ID x .087" Thk

1шт.

21

14306221

HEX SOC SCREW,M8 x 16mm, Cl 8.8, Full Thd

1шт.

22

47127853

PLATE

1шт.

23

11193874

BELLEVILLE WASHER,M8 Bolt Size x 16mm OD x 1.4mm Thk

1шт.

Выбрано товаров: 24