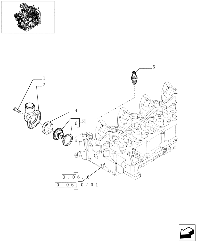
Запчасти Case IH MXU110 (0.32.6) - THERMOSTAT ENGINE COOLING SYSTEM (01) - ENGINE

Схема запчастей Case IH MXU110 - (0.32.6) - THERMOSTAT ENGINE COOLING SYSTEM (01) - ENGINE
0.06.0/01
3
0.06.0
4
1
6
5
2
FIT
1:1
100%

Артикул

Название

Примечание

Количество

1

4899091

SCREW,Hex Flange Cap, M8 x 1.25 x 40.00mm

3шт.

2

87803500

HOUSING

1шт.

3

504078966

THERMOSTAT

OD=60.8mm

1шт.

4

2853133

GASKET,51.5mm ID x 61.5mm OD x 16.5mm Thk

1шт.

5

2852157

SENSOR

1шт.

6

2852473

GASKET,53.62mm ID x 59.72mm OD x 4.01mm Thk

1шт.

Выбрано товаров: 6