Запчасти Case IH MXU115 (1.80.1/01[03]) - (VAR.807) NON-SYNCHRONIZED 540-1000 RPM POWER TAKE-OFF - LEVER AND FORK (07) - HYDRAULIC SYSTEM

Схема запчастей Case IH MXU115 - (1.80.1/01[03]) - (VAR.807) NON-SYNCHRONIZED 540-1000 RPM POWER TAKE-OFF - LEVER AND FORK (07) - HYDRAULIC SYSTEM
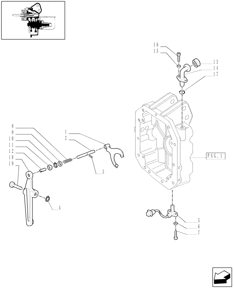
19
13
12
8
2
9
14
pag.1
11
4
17
3
6
18
16
15
7
10
1
5
FIT
1:1
100%

Артикул

Название

Примечание

Количество

1

5197556

SHIFTER FORK,102mm Int, 2 Speed

1шт.

2

5192165

ROD,16mm OD x 159mm L

1шт.

3

13910370

ROLL PIN,6mm OD x 30mm L

1шт.

4

11065976

CIRCLIP,M10, Ext

, Serial Range: -C5218

1шт.

4

87341142

LEVER

, Start Serial: D5218

1шт.

5

5150991

SENSOR

PTO SPEED, Pick-up Stem 30mm long, Serial Range: -C5000

1шт.

5

87564776

SENSOR

PTO SPEED, Pick-up Stem 23.5mm long, Start Serial: D5000

1шт.

6

10571474

LOCK WASHER,5.10mm ID x 9.20mm OD x 1.20mm, C72, DAC

2шт.

7

10977524

BOLT,Hex, M5 x 10mm, Cl 8.8, Full Thd

2шт.

8

5193076

SPRING,Compression, 21.5mm OD x 91mm L

1шт.

9

13507701

WASHER,16.4mm ID x 27mm OD x 2mm Thk

4шт.

10

300625

SNAP RING,M16, Ext

1шт.

11

16103614

THIN NUT,Thin, M12, 1.25 Pitch, Cl 04

1шт.

12

5193077

SPECIAL PIN,M12

1шт.

13

82005372

FILLER CAP,Male, Vented_No Lockable

1шт.

14

5198124

TUBE

1шт.

15

11193874

BELLEVILLE WASHER,M8 Bolt Size x 16mm OD x 1.4mm Thk

1шт.

16

14306321

HEX SOC SCREW,M8 x 20mm, Cl 8.8

1шт.

17

14458281

O-RING,1.237" ID x 1.443" OD x 0.103"

1шт.

18

5197557

LEVER

1шт.

19

5198749

PIN,9.6mm OD x 52.5mm L

1шт.

Выбрано товаров: 21