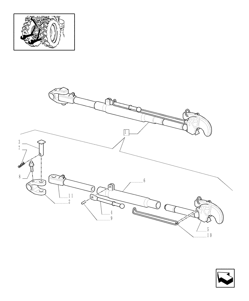
Запчасти Case IH MXU115 (1.89.6/01A) - THIRD-LINK SPRAG - PARTS - C6242 (09) - IMPLEMENT LIFT

Схема запчастей Case IH MXU115 - (1.89.6/01A) - THIRD-LINK SPRAG - PARTS - C6242 (09) - IMPLEMENT LIFT
7
2
3
4
1
5
11
9
6
10
8
FIT
1:1
100%

Артикул

Название

Примечание

Количество

1

47125175

HOOK

1шт.

2

5161787

YOKE,28mm D x 28mm D

1шт.

3

5161789

PIN,34mm OD x 91mm L

8шт.

4

5172394

LEVER

1шт.

5

5198082

HOOK

1шт.

6

5198121

TUBE,M36 x 3

1шт.

7

10797801

COTTER PIN,M6.3 x 50.00mm

1шт.

8

13407811

LUBE NIPPLE,Angled - 45 Degree, M10 x 1 x 27.00mm

1шт.

9

14613471

ROLL PIN,12mm OD x 40mm L

1шт.

10

47125901

RETAINER

1шт.

11

82012614

TRACK ROD END ASSY,M36 x 3, LH Thread

1шт.

Выбрано товаров: 11