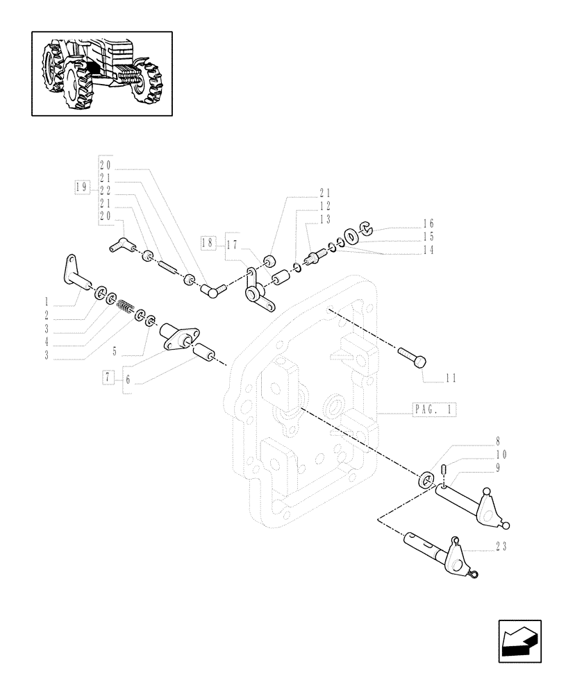
Запчасти Case IH MXU115 (1.29.0/01[02]) - (VAR.110-120) TRANSMISSION 12X12 - INTERNAL SHIFTING CONTROLS (03) - TRANSMISSION

Схема запчастей Case IH MXU115 - (1.29.0/01[02]) - (VAR.110-120) TRANSMISSION 12X12 - INTERNAL SHIFTING CONTROLS (03) - TRANSMISSION
19
14
23
3
20
18
9
15
8
16
5
7
3
6
21
20
13
21
2
10
17
22
4
1
12
pag. 1
11
21
FIT
1:1
100%

Артикул

Название

Примечание

Количество

1

82031921

LEVER

1шт.

2

5165599

GASKET,24mm ID x 35mm OD x 9mm Thk

24 x 35 x 9

1шт.

3

5165595

SPACER

2шт.

4

5165594

SPRING

1шт.

5

5165598

CIRCLIP

1шт.

6

5167877

BUSHING,24mm ID x 27mm OD x 20mm L

24X27X20

1шт.

7

5165891

SUPPORT

Includes Ref.6

1шт.

8

82020482

SPACER

1шт.

9

82031533

SHAFT

, Serial Range: -C5276

1шт.

10

14610270

LOCK PIN,M10 x 45, Slotted

1шт.

11

16043524

SCREW,Hex, M8 x 1.25 x 22mm, Cl 8.8, Full Thd

2шт.

12

14437785

O-RING,11.3mm ID x 2.4mm

1шт.

13

47127806

PIN

1шт.

14

14457081

O-RING,12.37mm ID x 2.62mm

2шт.

15

14496721

WASHER,13mm ID x 24mm OD x 2.5mm Thk

1шт.

16

11066076

SNAP RING,M12, Ext

1шт.

17

47127805

BUSHING,12mm ID x 14mm OD x 15mm L

2шт.

18

47127803

LEVER

Includes Ref.17

1шт.

19

47127882

TIE-ROD

Includes Ref.20, 21, 22

1шт.

20

47127981

BALL JOINT

2шт.

21

16100811

NUT,Hex, M8, 6.80mm, Cl 8, ZND

3шт.

22

13791321

SET SCREW,Hex Skt, M8 x 50mm, Flat Pt

1шт.

23

87306748

COVER

, Start Serial: D5276

1шт.

Выбрано товаров: 23