Качественные детали и логистика
Оригинальные и аналоговые запчасти с доставкой по России, Казахстану и Беларуси
©2022 PartSell ООО "Система" ИНН 2463123282 ОГРН 1212400004838
Центральный офис: г. Красноярск, Академика Киренского, д.87, пом.4
Телефон: 8 (800) 777-65-74 Email: zakaz@partsell.ru
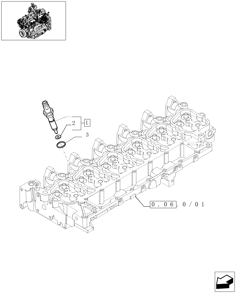
(0.14.0/01[02]) - INJECTION EQUIPMENT - INJECTOR
№
Артикул
Название
Примечание
Количество
1
2854045
FUEL SYSTEM INJECTOR
MXU115, ASSY
6шт.
2854045R
REMAN-INJECT NOZZLE
2854045C
CORE-NOZZLE, INJECT
Return Number
2852273
MXU130, ASSY
2852273R
REMAN-FUEL INJECTOR
MXU115, MXU130, all (7/05-)
2852273C
CORE-FUEL INJECTOR
Return number
1шт.
2
2856435
SEALING WASHER
3
4895297
SEAL,7.3mm ID x 15mm OD x 2.5mm THK
Выбрано товаров: 0