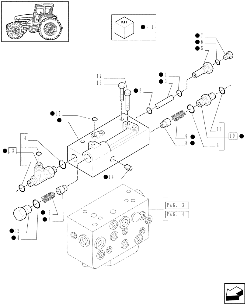
Запчасти Case IH MXU135 (1.80.7[06]) - PTO, CLUTCH - VALVE AND RELEVANT PARTS (07) - HYDRAULIC SYSTEM

Схема запчастей Case IH MXU135 - (1.80.7[06]) - PTO, CLUTCH - VALVE AND RELEVANT PARTS (07) - HYDRAULIC SYSTEM
pag. 4
1
pag. 3
1
1
11
1
13
1
15
1
1
4
2
4
1
1
11
4
1
1
1
1
9
4
9
10
12
14
1
8
5
3
1
7
1
1
16
17
1
11
6
8
FIT
1:1
100%

Артикул

Название

Примечание

Количество

1

5197688

CONTROL VALVE

1шт.

2

13397776

SNAP RING,M16, Int

1шт.

3

5197687

PIN

1шт.

4

14438085

O-RING,19.3mm ID x 2.4mm

4шт.

5

47128481

PLUG

1шт.

6

10260150

SEALING WASHER,M10.2 x 14 x 1, Alum

1шт.

7

11903114

PLUG,M10 x 1.25 x 11

1шт.

8

5169565

VALVE,By-Pass

2шт.

9

5159185

SPRING,Compression, 12.5mm OD x 32.5mm L

2шт.

10

47123674

HYD CONNECTOR

M22X1,5, 13/16"-16UN - 2A

1шт.

11

5185511

O-RING,1.78mm Thk x 12.42mm ID, 85 Duro

M12.42 ID x 1.78 Thk

3шт.

12

47123781

PLUG,M22 x 1.5

1шт.

13

47123786

HYD CONNECTOR

M22X1,5, 13/16"-16UN - 2A

1шт.

14

80236622

PLUG

1шт.

15

5146468

O-RING,0.103" Thk x 0.549" ID, -113, Cl 5, 75 Duro

1шт.

16

16044321

BOLT,M8 x 1.25 x 55mm, Cl 8.8

2шт.

17

16044524

SCREW,Hex, M8 x 1.25 x 65mm, Cl 8.8

2шт.

Выбрано товаров: 0