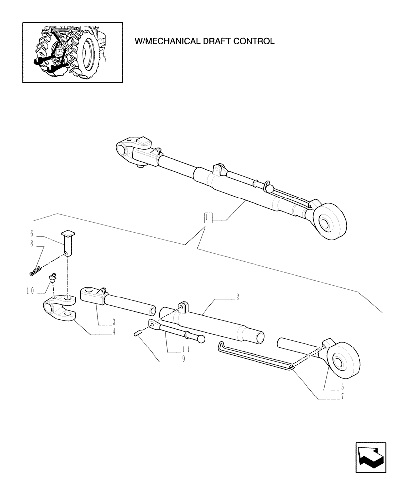
Запчасти Case IH MXU135 (1.89.6/03A) - (VAR.916) IMPLEMENT LINKAGE DEVICE WITH TELESCOPIC ARMS - THIRD-POINT TOP LINK (09) - IMPLEMENT LIFT

Схема запчастей Case IH MXU135 - (1.89.6/03A) - (VAR.916) IMPLEMENT LINKAGE DEVICE WITH TELESCOPIC ARMS - THIRD-POINT TOP LINK (09) - IMPLEMENT LIFT
7
11
4
5
9
2
1
3
10
6
8
FIT
1:1
100%

Артикул

Название

Примечание

Количество

1

5197608

UPPER LINK

TOP LINK

1шт.

2

5198078

TUBE,M30 x 3

1шт.

3

82012615

LIFT LINK END ASSY,M30 x 3

1шт.

4

5161787

YOKE,28mm D x 28mm D

1шт.

5

5198084

TIE-ROD,M30 x 3, LH Threads

1шт.

6

5161789

PIN,34mm OD x 91mm L

1шт.

7

5198079

SPRING

1шт.

8

10797801

COTTER PIN,M6.3 x 50.00mm

1шт.

9

14613471

ROLL PIN,12mm OD x 40mm L

1шт.

10

13407811

LUBE NIPPLE,Angled - 45 Degree, M10 x 1 x 27.00mm

1шт.

11

5172394

LEVER

1шт.

Выбрано товаров: 11