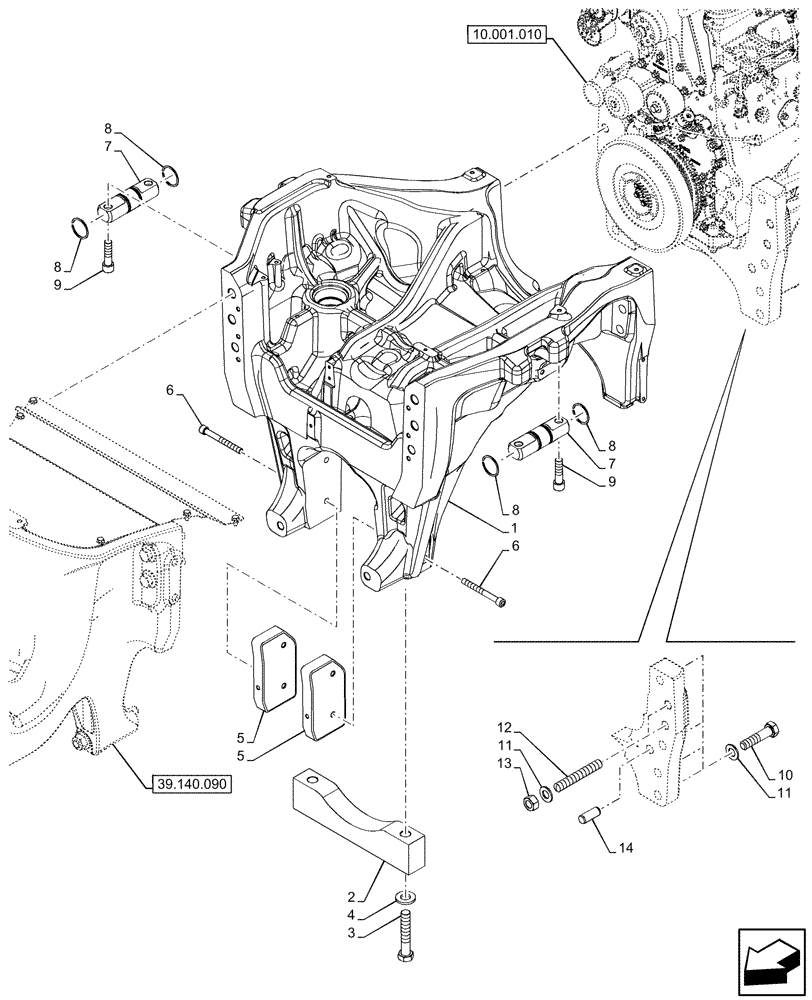
Запчасти Case IH OPTUM 270 CVT (25.100.060) - VAR - 758795, 758796 - FRONT AXLE, SUPPORT (25) - FRONT AXLE SYSTEM

Схема запчастей Case IH OPTUM 270 CVT - (25.100.060) - VAR - 758795, 758796 - FRONT AXLE, SUPPORT (25) - FRONT AXLE SYSTEM
39.140.090
10
11
4
14
9
8
1
8
11
5
6
2
8
7
5
6
8
7
9
13
3
12
10.001.010
FIT
1:1
100%

Артикул

Название

Примечание

Количество

1

47881410

SUPPORT

1шт.

2

47893868

SUPPORT

1шт.

3

86508350

BOLT,Hex, M20 x 110mm, Cl 10.9

2шт.

4

86639847

WASHER,21.8mm ID x 44.5mm OD x 5mm Thk

2шт.

5

47592483

PLATE

2шт.

6

2465667

HEX SOC SCREW,M12 x 110mm, Cl 12.9

4шт.

7

84378095

PIN,44.97mm OD x 154.2mm L

2шт.

8

47830854

SNAP RING

4шт.

9

14426621

HEX SOC SCREW,M16 x 60mm, Cl 8.8, Full Thd

4шт.

10

47914278

SCREW,Hex, M20 x 1.5 x 83mm L, Cl 12.9

8шт.

11

82028022

WASHER,M8 x 1.25 ID x 40mm OD x 9mm Thk, CRLC or HRLC Steel

12шт.

12

47605856

STUD,M20 x 1.5 x 134mm L, Cl 10.9

4шт.

13

87312644

NUT,Hex, M20, 1.5 Pitch, 16mm High, Gr R12

4шт.

14

82035662

DOWEL,M20 x 52

2шт.

Выбрано товаров: 14