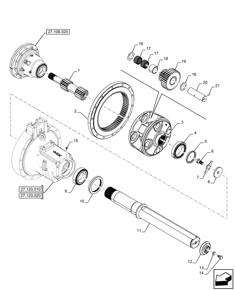
Запчасти Case IH OPTUM 270 CVT (27.120.100) - VAR - 758052, 758054 - REAR AXLE, FINAL DRIVE, PLANETARY GEAR, 119 INCH (27) - REAR AXLE SYSTEM

Схема запчастей Case IH OPTUM 270 CVT - (27.120.100) - VAR - 758052, 758054 - REAR AXLE, FINAL DRIVE, PLANETARY GEAR, 119 INCH (27) - REAR AXLE SYSTEM
27.106.020
17
14
20
15
21
10
9
19
6
18
1
13
11
8
7
4
3
16
16
12
17
2
5
27.120.010
27.120.020
FIT
1:1
100%

Артикул

Название

Примечание

Количество

1

47774105

SHAFT,47.5/77.3mm ID x 54.3/102mm OD x 447mm L, 16/20T

1шт.

2

47617431

RING GEAR,374.3mm ID x 394.7mm OD x 58mm Thk, 72T

1шт.

3

47847739

PINION CARRIER

1шт.

4

47520146

SPH ROLLER BEARING,110mm ID x 165mm OD x 35mm Thk

1шт.

5

47487234

SEALING RING,98mm ID x 120mm OD x 12mm Thk

1шт.

6

47795411

SCREW

1шт.

7

47847741

WASHER,70mm OD x 127mm L x 4mm Thk

1шт.

8

47847736

WASHER,25mm ID x 102mm OD x 12mm Thk

1шт.

9

47518981

SPH ROLLER BEARING,105mm ID x 160mm OD x 43mm Thk

1шт.

10

47487235

GASKET,130mm ID x 170mm OD x 16mm Thk

1шт.

11

47700151

AXLE

1шт.

12

47798621

COVER

1шт.

13

14497121

WASHER,21mm ID x 37mm OD x 3mm Thk

1шт.

14

11121321

BOLT,Hex, M20 x 2.5 x 35mm, Cl 8.8, Full Thd

M20 x 2.5 x 35mm

1шт.

15

13407211

LUBE NIPPLE,M10 x 1

1шт.

16

47483150

SPACER,55.65mm ID x 82mm OD x 1.5mm L

8шт.

17

47468746

NEEDLE BEARING,55.65mm ID x 69.65mm OD x 41mm Thk

4шт.

18

47681851

SPACER,60mm ID x 69.65mm OD x 47.2mm L

4шт.

19

47436930

GEAR,33/20T

Ratio 20/33

4шт.

20

47436931

PIN,55.65mm OD x 191.5mm L

4шт.

21

838-3826

PIN,M8 x 26, Coiled

4шт.

Выбрано товаров: 21