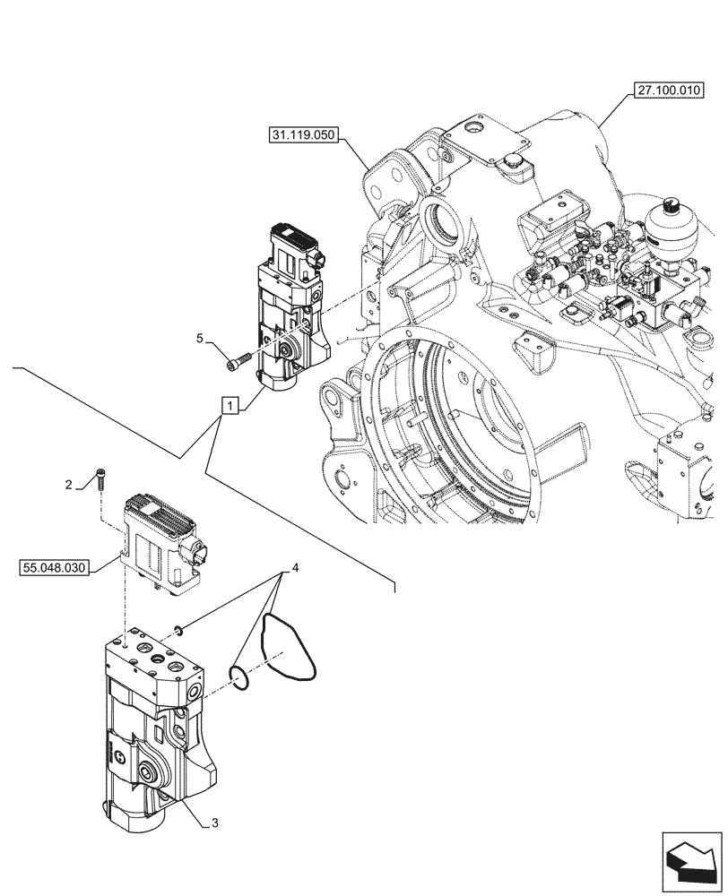
Запчасти Case IH OPTUM 270 CVT (31.104.020) - VAR - 758794 - REAR PTO, ACTUATOR (31) - IMPLEMENT POWER TAKE OFF

Схема запчастей Case IH OPTUM 270 CVT - (31.104.020) - VAR - 758794 - REAR PTO, ACTUATOR (31) - IMPLEMENT POWER TAKE OFF
55.048.030
2
5
3
1
4
27.100.010
31.119.050
FIT
1:1
100%

Артикул

Название

Примечание

Количество

1

47817517

ACTUATOR

ASSY, Incl 3 - 5

1шт.

See Also Actuator Components in Figure 55.048.030

1шт.

2

14304324

HEX SOC SCREW,M5 x 20mm, Cl 8.8, Full Thd

4шт.

3

NSS

NOT SOLD SEPARAT

Actuator, Incl in 1

1шт.

4

47791850

SEAL KIT

1шт.

5

14307624

HEX SOC SCREW,M10 x 1.25 x 35mm, Cl 8.8, Full Thd

3шт.

Выбрано товаров: 6