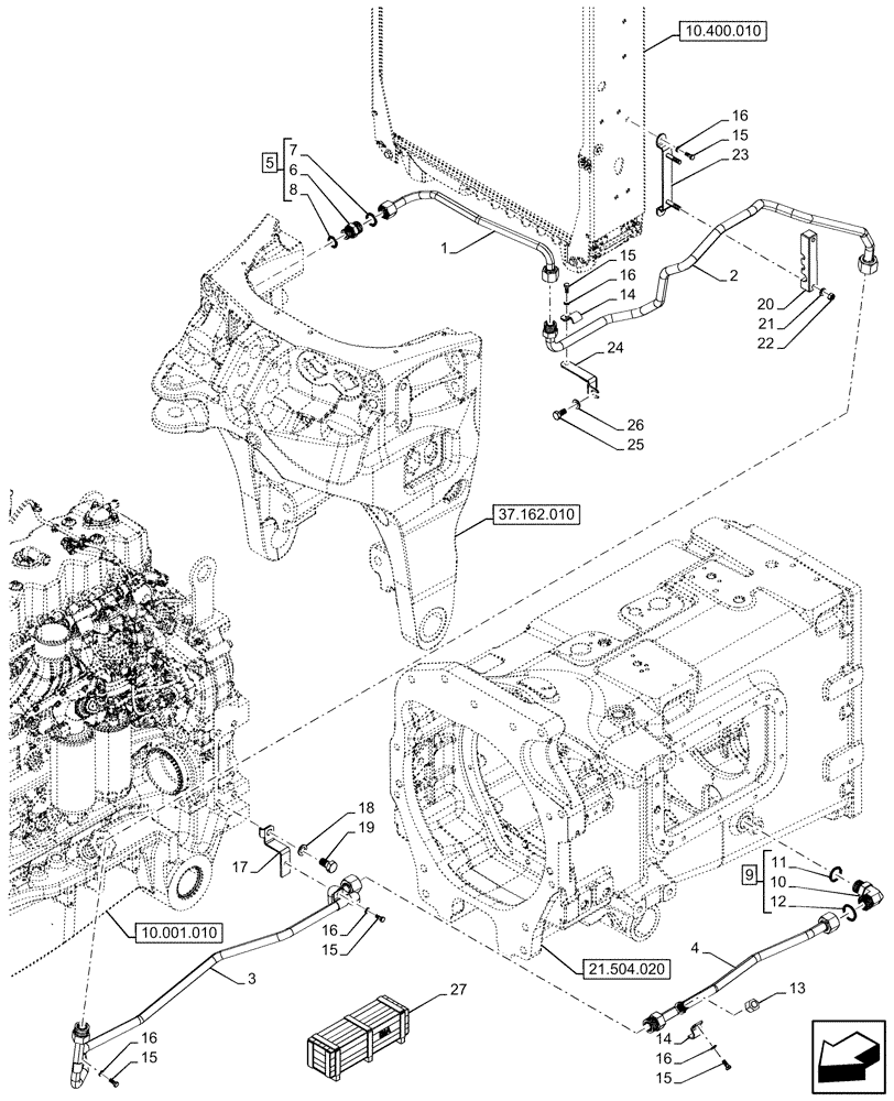
Запчасти Case IH OPTUM 270 CVT (31.142.010) - VAR - 758769, 759304 - RETURN LINE, W/O FRONT PTO (31) - IMPLEMENT POWER TAKE OFF

Схема запчастей Case IH OPTUM 270 CVT - (31.142.010) - VAR - 758769, 759304 - RETURN LINE, W/O FRONT PTO (31) - IMPLEMENT POWER TAKE OFF
21.504.020
25
9
26
16
16
20
8
14
12
16
4
5
15
21
13
24
15
3
23
15
18
10
14
11
2
22
15
19
6
27
17
7
1
16
16
15
10.001.010
10.400.010
37.162.010
FIT
1:1
100%

Артикул

Название

Примечание

Количество

1

47595825

PIPE

Front PTO Coupler Oil Drain

1шт.

2

47928599

PIPE

Front PTO Coupler Oil Drain

1шт.

3

47814199

PIPE

Front PTO Coupler Oil Drain

1шт.

4

47787248

PIPE

Front PTO Coupler Oil Drain

1шт.

5

82016498

HYD CONNECTOR,M22 x 1.5 DIN, 1" - 14 ORFS

ASSY, Incl 6 - 8

1шт.

6

NSS

NOT SOLD SEPARAT

Connector, Incl in 5

1шт.

7

83901443

O-RING,0.07" Thk x 0.614" ID, -16, Cl 6, 90 Duro

1шт.

8

82016732

SEAL,19.6mm ID x 24.3mm OD x 1.5mm Thk

1шт.

9

86579697

ELBOW,90 Degree, 1-3/16"-12 ORFS x M27 x 2.0 ORB

ASSY, Incl 10 - 12

1шт.

10

NSS

NOT SOLD SEPARAT

Elbow, Incl in 9

1шт.

11

86598103

O-RING,2.9mm Thk x 23.6mm ID, Cl 6, 90 Duro

1шт.

12

9991976

O-RING,0.07" Thk x 0.739" ID, -18, Cl 6, 90 Duro

1шт.

13

9625546

CAP,11/16" - 16 ORFS

1шт.

14

5193286

BRACKET

2шт.

15

86508568

BOLT,Hex, M6 x 1 x 16mm, Cl 8.8

6шт.

16

86588450

WASHER,6.6mm ID x 12mm OD x 1.6mm Thk

6шт.

17

47631004

BRACKET

1шт.

18

12646001

WASHER,14.4mm ID x 24mm OD x 2mm Thk

1шт.

19

11115424

SCREW,Hex, M14 x 2 x 28mm L, Cl 8.8

1шт.

20

47647346

CLAMP,24.5mm H x 25mm Thk x 139mm L

1шт.

21

86624184

WASHER,9mm ID x 16mm OD x 1.6mm Thk

2шт.

22

9706690

NUT,M8 x 1.25, Cl 8

2шт.

23

47647343

BRACKET

1шт.

24

47807489

BRACKET

1шт.

25

43138

BOLT,Hex, M10 x 1.5 x 20mm, Cl 8.8

1шт.

26

140017

WASHER,M10 x 20mm OD x 2mm Thk

1шт.

27

731033014

DIA KIT, TRACTOR

Front Hydraulic Power Lift, Incl 1 - 26

1шт.

To See Full DIA KIT Composition Look for all the Figures Where the DIA KIT P/N Is Shown

1шт.

27

718198014

DIA KIT, TRACTOR

2 Front Coupler Kit, Incl 1 - 26

1шт.

To See Full DIA KIT Composition Look for all the Figures Where the DIA KIT P/N Is Shown

1шт.

Выбрано товаров: 30