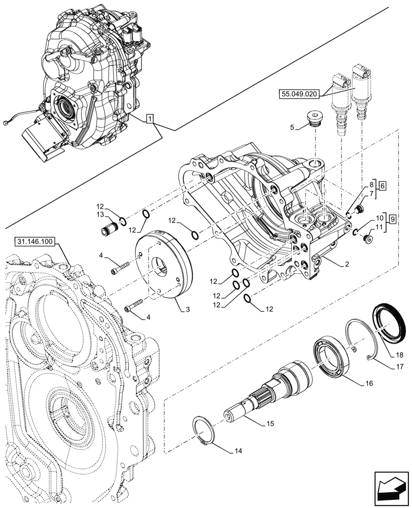
Запчасти Case IH OPTUM 270 CVT (31.146.120) - VAR - 758770, 758771, 759305, 759306 - FRONT PTO, COMPONENTS (31) - IMPLEMENT POWER TAKE OFF

Схема запчастей Case IH OPTUM 270 CVT - (31.146.120) - VAR - 758770, 758771, 759305, 759306 - FRONT PTO, COMPONENTS (31) - IMPLEMENT POWER TAKE OFF
31.146.100
10
6
2
17
4
12
12
12
15
1
5
4
18
12
9
13
8
14
16
3
12
11
12
55.049.020
7
12
FIT
1:1
100%

Артикул

Название

Примечание

Количество

1

47894653

FRONT PTO ASSY

CCW, Incl 2 - 18

1шт.

See Front PTO Components also in Figure 31.146.080, 31.146.090, 31.146.100, 31.146.110, 55.049.020

1шт.

2

47583908

HOUSING

1шт.

3

47662998

PUMP

1шт.

4

14305624

HEX SOC SCREW,M6 x 35mm, Cl 8.8

4шт.

5

945328

PLUG,Hex, M22 x 1.5

1шт.

6

1009480

PLUG,Hex, M18 x 1.5

ASSY, Incl 7, 8

1шт.

7

NSS

NOT SOLD SEPARAT

Plug, Incl in 6

1шт.

8

83999938

SEAL,15.7mm ID x 20.9mm OD x 1.5mm Thk

1шт.

9

10118540

PLUG,M10 x 1 x 11, Brass

ASSY, Incl 10, 11

5шт.

10

14437585

O-RING,8.00mm ID x 1.50mm

1шт.

11

NSS

NOT SOLD SEPARAT

Plug, Incl in 9

1шт.

12

14453181

O-RING,0.489" ID x 0.07" Width

7шт.

13

47605188

ADAPTER

1шт.

14

370008

SNAP RING,M50, Ext

1шт.

15

47885878

SHAFT,197mm L

Input, 197mm

1шт.

16

47625868

BALL BEARING,50mm ID x 80mm OD x 16mm W

1шт.

17

300633

SNAP RING,M80, Internal

1шт.

18

47599071

SEAL,58mm ID x 80mm OD x 10mm Thk

1шт.

Выбрано товаров: 19