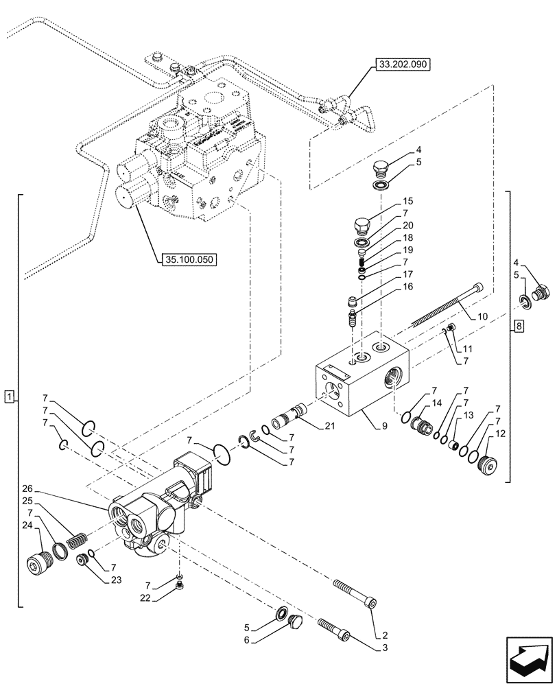
Запчасти Case IH OPTUM 270 CVT (33.220.030) - VAR - 758039, 758044 - TRAILER BRAKE VALVE, W/ ANTILOCK BRAKING SYSTEM (ABS) (33) - BRAKES & CONTROLS

Схема запчастей Case IH OPTUM 270 CVT - (33.220.030) - VAR - 758039, 758044 - TRAILER BRAKE VALVE, W/ ANTILOCK BRAKING SYSTEM (ABS) (33) - BRAKES & CONTROLS
33.202.090
26
7
4
7
2
7
4
8
23
12
13
7
22
15
5
10
7
14
3
5
19
9
7
7
7
11
7
7
18
16
7
6
7
7
5
7
20
25
7
1
7
7
7
17
21
24
35.100.050
FIT
1:1
100%

Артикул

Название

Примечание

Количество

1

47582731

BRAKE VALVE

ASSY, Incl 7 - 26

1шт.

2

14308920

HEX SOC SCREW,M8 x 60mm, Cl 8.8

2шт.

3

14306721

HEX SOC SCREW,M8 x 48mm, Cl 8.8

1шт.

4

47131496

PLUG,Hex, M12 x 1

2шт.

5

5183780

SEALING WASHER,9.73mm ID x 18mm OD x 1.5mm Thk

3шт.

6

10300511

PLUG,M12 x 1.5 x 12, Cl5.8

1шт.

7

47583845

SEAL KIT

1шт.

8

47583839

BRAKE VALVE

ASSY, Incl 7 (Qty only for PN 47583839 servicing), 9 - 21

1шт.

9

NSS

NOT SOLD SEPARAT

Body, Incl in 8

1шт.

10

NSS

NOT SOLD SEPARAT

Screw, Incl in 8

4шт.

11

NSS

NOT SOLD SEPARAT

Adapter, Incl in 8

1шт.

12

NSS

NOT SOLD SEPARAT

Adapter, Incl in 8

1шт.

13

NSS

NOT SOLD SEPARAT

Valve, Incl in 8

1шт.

14

NSS

NOT SOLD SEPARAT

Valve, Incl in 8

1шт.

15

NSS

NOT SOLD SEPARAT

Adapter, Incl in 8

1шт.

16

NSS

NOT SOLD SEPARAT

Bleeding Screw, Incl in 8

1шт.

17

NSS

NOT SOLD SEPARAT

Cap, Incl in 8

1шт.

18

NSS

NOT SOLD SEPARAT

Spring, Incl in 8

1шт.

19

NSS

NOT SOLD SEPARAT

Dowel, Incl in 8

1шт.

20

NSS

NOT SOLD SEPARAT

Plug, Incl in 8

1шт.

21

NSS

NOT SOLD SEPARAT

Valve, Incl in 8

1шт.

22

NSS

NOT SOLD SEPARAT

Plug, Incl in 1

1шт.

23

NSS

NOT SOLD SEPARAT

Plug, Incl in 1

1шт.

24

NSS

NOT SOLD SEPARAT

Plug, Incl in 1

1шт.

25

NSS

NOT SOLD SEPARAT

Spring, Incl in 1

1шт.

26

NSS

NOT SOLD SEPARAT

Body, Incl in 1

1шт.

Выбрано товаров: 26