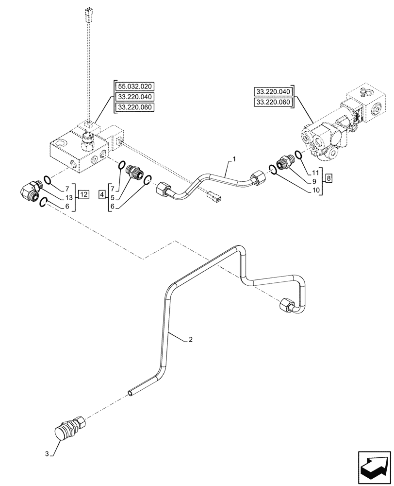
Запчасти Case IH OPTUM 270 CVT (33.220.050) - VAR - 758040, 758042 - TRAILER BRAKE VALVE, LINE, ITALY (33) - BRAKES & CONTROLS

Схема запчастей Case IH OPTUM 270 CVT - (33.220.050) - VAR - 758040, 758042 - TRAILER BRAKE VALVE, LINE, ITALY (33) - BRAKES & CONTROLS
33.220.060
7
6
4
8
13
3
9
7
5
11
6
12
2
10
1
33.220.040
33.220.040
55.032.020
33.220.060
FIT
1:1
100%

Артикул

Название

Примечание

Количество

1

47879841

PIPE

to Block

1шт.

2

47879146

PIPE

TBV

1шт.

3

5144514

HYDRAULIC VALVE

1шт.

4

5194065

HYD CONNECTOR,M18 x 1.5 x 36mm

ASSY, Incl 5, 6 (Qty 1), 7 (Qty 1)

1шт.

5

NSS

NOT SOLD SEPARAT

Connector, Incl in 4

1шт.

6

14437985

O-RING,15.3mm ID x 2.4mm

2шт.

7

5185511

O-RING,1.78mm Thk x 12.42mm ID, 85 Duro

2шт.

8

86579676

HYD CONNECTOR,13/16" - 16 ORFS x M18 x 1.5 ORB

ASSY, Incl 9 - 11

1шт.

9

NSS

NOT SOLD SEPARAT

Connector, Incl in 8

1шт.

10

86598101

O-RING,2.2mm Thk x 15.3mm ID, Cl 6, 90 Duro

1шт.

11

9992298

O-RING,0.07" Thk x 0.489" ID, -14, Cl 6, 90 Duro

1шт.

12

5185052

90 ELBOW,13/16"-16 x M18 x 1.5

ASSY, Incl 6 (Qty 1), 7 (Qty 1), 13

1шт.

13

NSS

NOT SOLD SEPARAT

Elbow, Incl in 12

1шт.

Выбрано товаров: 13