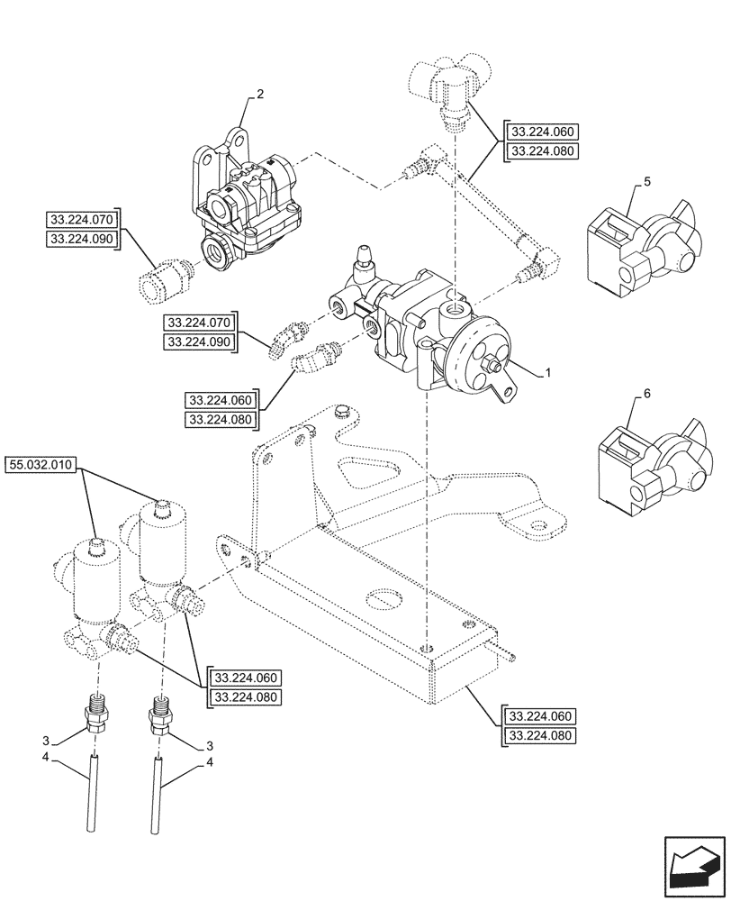
Запчасти Case IH OPTUM 270 CVT (33.224.010) - VAR - 758038, 758039 - PNEUMATIC TRAILER BRAKE, VALVE (33) - BRAKES & CONTROLS

Схема запчастей Case IH OPTUM 270 CVT - (33.224.010) - VAR - 758038, 758039 - PNEUMATIC TRAILER BRAKE, VALVE (33) - BRAKES & CONTROLS
55.032.010
2
4
1
3
6
4
5
3
33.224.060
33.224.060
33.224.060
33.224.060
33.224.080
33.224.080
33.224.080
33.224.080
33.224.070
33.224.070
33.224.090
33.224.090
FIT
1:1
100%

Артикул

Название

Примечание

Количество

1

82030571

TRAILER BRAKE VALVE

1шт.

2

84157669

VALVE

1шт.

3

82006828

ADAPTER

2шт.

4

82019793

HOSE,6.00mm OD x 70.00mm

2шт.

5

82001019

COUPLING

1шт.

6

82001020

COUPLING

1шт.

Выбрано товаров: 6