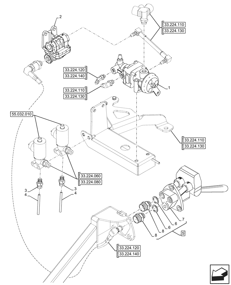
Запчасти Case IH OPTUM 270 CVT (33.224.100) - VAR - 758041, 758042 - PNEUMATIC TRAILER BRAKE, ITALY (33) - BRAKES & CONTROLS

Схема запчастей Case IH OPTUM 270 CVT - (33.224.100) - VAR - 758041, 758042 - PNEUMATIC TRAILER BRAKE, ITALY (33) - BRAKES & CONTROLS
55.032.010
6
8
1
4
3
7
4
5
3
2
6
8
33.224.060
33.224.130
33.224.130
33.224.130
33.224.120
33.224.120
33.224.080
33.224.140
33.224.140
33.224.110
33.224.110
33.224.110
FIT
1:1
100%

Артикул

Название

Примечание

Количество

1

82030571

TRAILER BRAKE VALVE

1шт.

2

84157669

VALVE

1шт.

3

82006828

ADAPTER

2шт.

4

82019793

HOSE,6.00mm OD x 70.00mm

2шт.

5

87692947

PUSH-PULL COUPLING

ASSY, Incl 6 - 8

1шт.

6

87692948

WASHER,18.0mm ID x 25mm OD x 1.5mm Thk, Aluminum

2шт.

7

NSS

NOT SOLD SEPARAT

Coupling, Incl in 5

1шт.

8

87692949

FITTING,M22 x 1.5 x M18 x 1.5

2шт.

Выбрано товаров: 8