Запчасти Case IH OPTUM 270 CVT (35.116.010) - VAR - 758760, 758761, 758762, 758763, 758764, 758765, 758766, 758767 - REAR, 3 POINT HITCH, LIFT CYLINDER (35) - HYDRAULIC SYSTEMS

Схема запчастей Case IH OPTUM 270 CVT - (35.116.010) - VAR - 758760, 758761, 758762, 758763, 758764, 758765, 758766, 758767 - REAR, 3 POINT HITCH, LIFT CYLINDER (35) - HYDRAULIC SYSTEMS
35.116.020
16
8
12
4
18
19
11
14
10
10
17
13
15
6
18
19
19
13
14
19
12
3
5
18
17
18
16
9
2
7
15
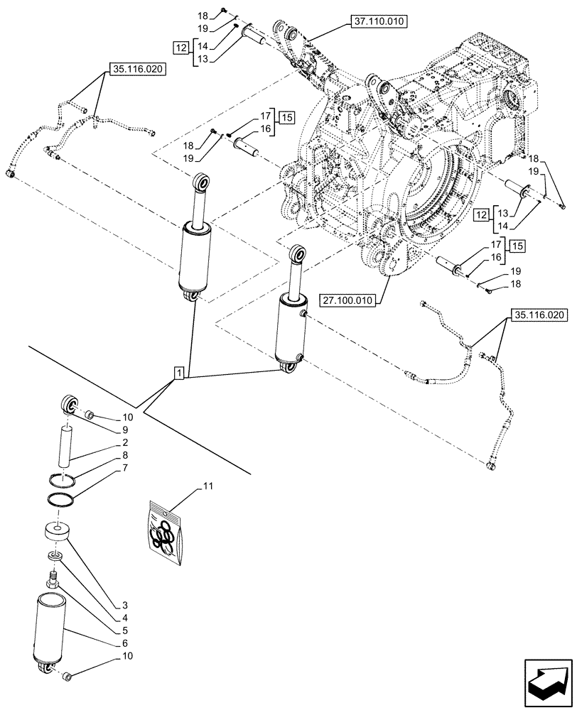
1
37.110.010
27.100.010
35.116.020
FIT
1:1
100%

Артикул

Название

Примечание

Количество

1

47534571

LIFT CYLINDER

ASSY, Incl 2 - 11

2шт.

2

47615595

PISTON ROD

1шт.

3

47615596

PISTON

1шт.

4

47615597

WASHER

1шт.

5

47615599

SCREW

1шт.

6

47615601

GLAND

1шт.

7

47615602

RETAINER

1шт.

8

47615603

SNAP RING

1шт.

9

47615604

ROD

1шт.

10

5198652

BUSHING

2шт.

11

47615605

SEAL KIT

1шт.

12

5186171

PIN

ASSY, Incl 13 (Qty 1), 14 (Qty 1)

2шт.

13

NSS

NOT SOLD SEPARAT

Pin, Incl in 12

2шт.

14

13406911

LUBE NIPPLE,Straight, 1/4"-28 x 0.54"

2шт.

15

47619010

PIN

ASSY, Incl 16 (Qty 1), 17 (Qty 1)

2шт.

16

NSS

NOT SOLD SEPARAT

Pin, Incl in 15

2шт.

17

80714

LUBE NIPPLE,1/4"-28 NPT x .54" lg

2шт.

18

82034728

SET SCREW,Hex, M10 x 1.25 x 22mm, Cl 8.8

4шт.

19

12601474

WAVE WASHER,Wave, 10.50mm ID x 21.00mm OD x 0.80mm, 3.00mm, CST, DAC

4шт.

Выбрано товаров: 19