Запчасти Case IH OPTUM 270 CVT (35.124.030) - VAR - 758762, 758766 - REAR, 3 POINT HITCH, CONTROL VALVE, LINES (35) - HYDRAULIC SYSTEMS

Схема запчастей Case IH OPTUM 270 CVT - (35.124.030) - VAR - 758762, 758766 - REAR, 3 POINT HITCH, CONTROL VALVE, LINES (35) - HYDRAULIC SYSTEMS
37.120.110
8
11
5
9
12
8
6
8
13
8
8
8
4
6
8
7
7
5
7
3
2
10
8
3
7
1
37.120.050
27.100.010
35.124.010
FIT
1:1
100%

Артикул

Название

Примечание

Количество

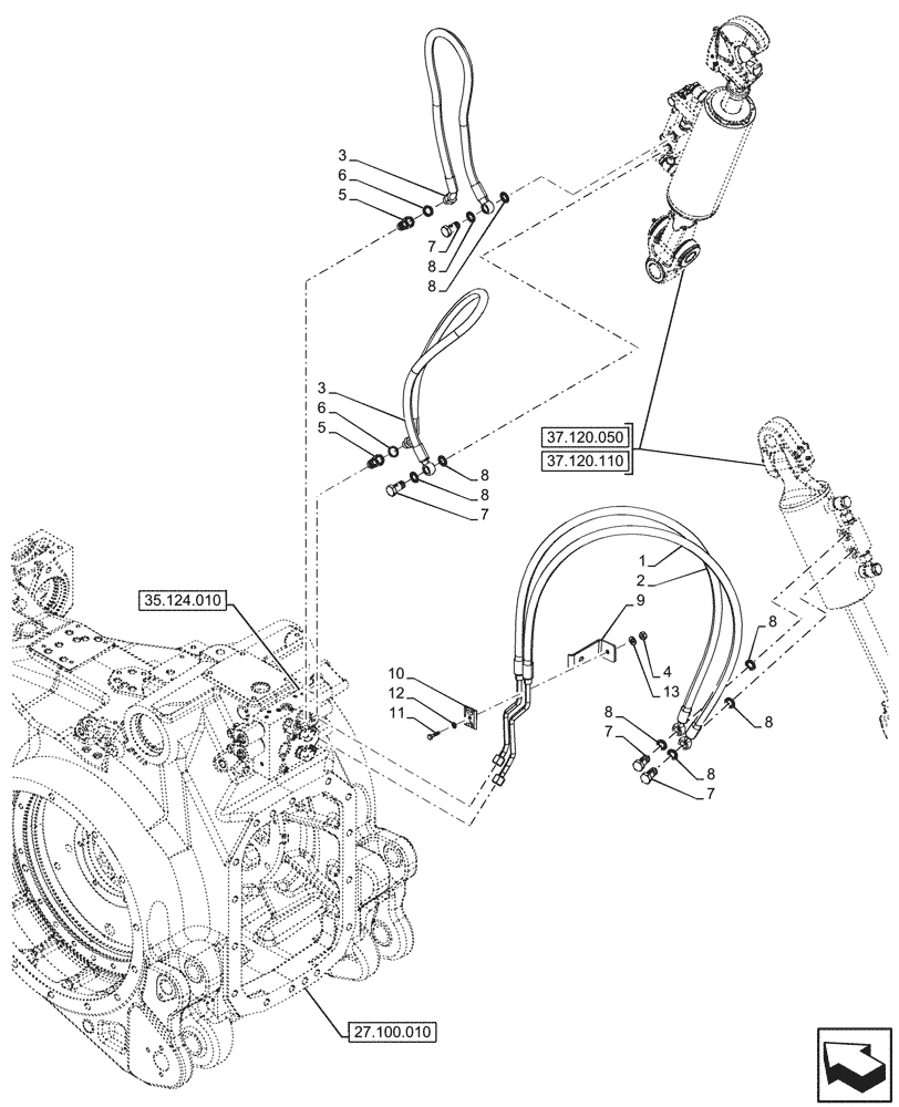
1

47904105

HYD TUBE

from Rear 3 Point Hitch Control Valve to Hydraulic Tie Rod, Retract

1шт.

2

47904107

HYD TUBE

from Rear 3 Point Hitch Control Valve to Hydraulic Tie Rod, Extend

1шт.

3

47725138

HOSE,8mm ID x 950mm L mm

8mm ID x 950mm, from Rear 3 Point Hitch Control Valve to Hydraulic Upper Link

2шт.

4

11702911

NUT,M12, Cl 8, ZND

2шт.

5

47123021

HALF-COUPLING

2шт.

6

84185636

SEAL,14.76mm ID x 23.8mm OD x 3mm Thk

2шт.

7

10184411

BANJO BOLT,M16 x 1.5 x 31mm, R50

4шт.

8

5167639

SEALING WASHER,13.4mm ID x 24mm OD x 1.5mm Thk

8шт.

9

47904113

BRACKET

1шт.

10

4999554

CLAMP,2 Hoses

1шт.

11

86508568

BOLT,Hex, M6 x 1 x 16mm, Cl 8.8

1шт.

12

83935046

LOCK WASHER,Helical Spring, 1/4" ID x 0.489" OD x 0.062" Thk

1шт.

13

10520001

WASHER,12.2mm ID x 22mm OD x 3mm Thk

2шт.

Выбрано товаров: 13