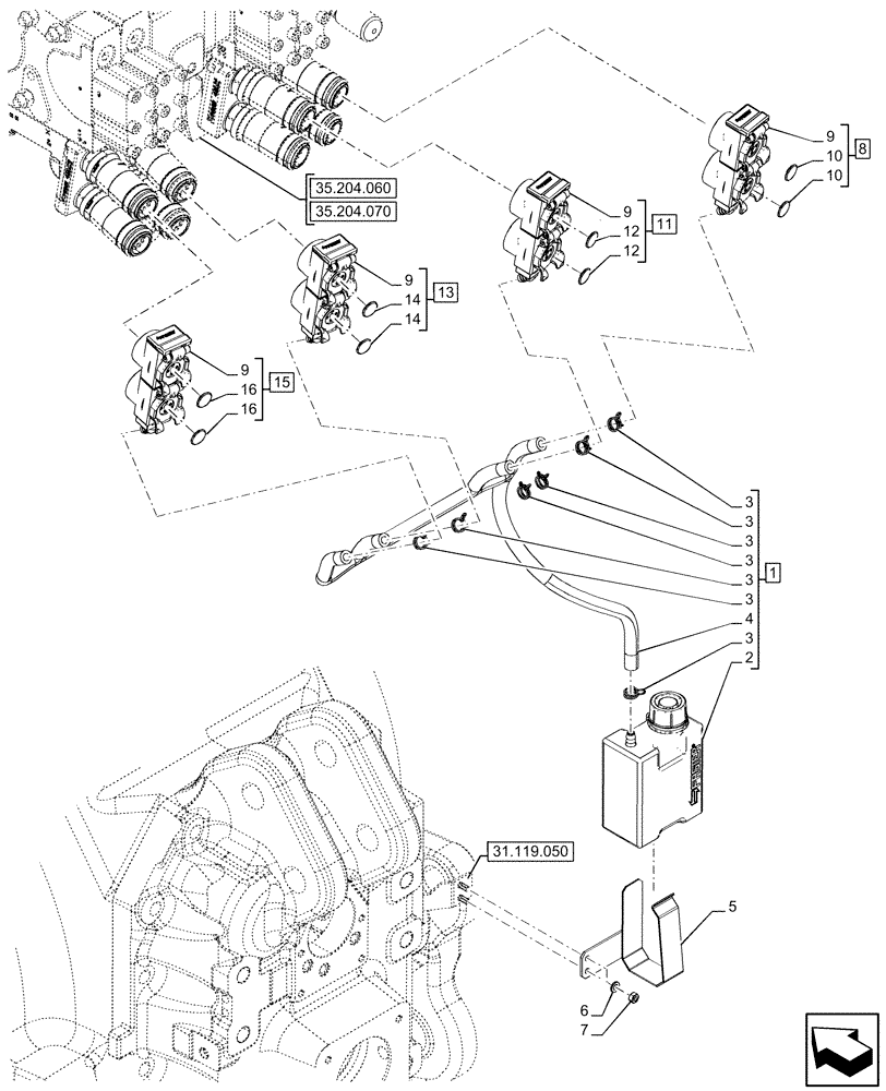
Запчасти Case IH OPTUM 270 CVT (35.204.180) - VAR - 758060, 758061 - 4 REMOTE CONTROL VALVES, RESERVOIR (35) - HYDRAULIC SYSTEMS

Схема запчастей Case IH OPTUM 270 CVT - (35.204.180) - VAR - 758060, 758061 - 4 REMOTE CONTROL VALVES, RESERVOIR (35) - HYDRAULIC SYSTEMS
31.119.050
3
12
1
9
11
15
9
5
14
16
9
12
3
9
4
10
14
6
8
3
10
13
2
3
16
7
3
3
3
35.204.060
35.204.070
FIT
1:1
100%

Артикул

Название

Примечание

Количество

1

47756498

BOTTLE

ASSY, Incl 2 - 4

1шт.

2

87555441

RESERVOIR, HYDRAULIC,600ml

1шт.

3

13423177

COLLAR,11.5mm - 12.7mm

7шт.

4

NSS

NOT SOLD SEPARAT

Hose, Incl in 1

1шт.

5

47756497

BRACKET

1шт.

6

86588450

WASHER,6.6mm ID x 12mm OD x 1.6mm Thk

2шт.

7

86500688

NUT,Hex, M6 x 1.0, Cl 10.9

2шт.

8

47617741

ASSY, Double Green, Incl 9 (Qty 1), 10

CAP,Double Green

1шт.

9

84253930

DUST CAP,56.5mm H x 128mm L x 39.5mm Thk

4шт.

10

82029892

LENS

Green

2шт.

11

47617740

ASSY, Double Blue, Incl 9 (Qty 1), 12

CAP

1шт.

12

82029893

LENS

Blue

2шт.

13

47617739

ASSY, Double Brow, Incl 9 (Qty 1), 14

CAP

1шт.

14

82029894

DISC,20mm OD x 5.5mm Thk, Green, PA6+30% Glass Fiber

Brown

2шт.

15

47617738

ASSY, Double Black, Incl 9 (Qty 1), 16

CAP

1шт.

16

82029895

DISC,20mm D, Black

Black

2шт.

Выбрано товаров: 16