Запчасти Case IH OPTUM 270 CVT (37.100.010) - VAR - 758100 - INDIPENDENT DRAWBAR, CAT.3, NA (37) - HITCHES, DRAWBARS & IMPLEMENT COUPLINGS

Схема запчастей Case IH OPTUM 270 CVT - (37.100.010) - VAR - 758100 - INDIPENDENT DRAWBAR, CAT.3, NA (37) - HITCHES, DRAWBARS & IMPLEMENT COUPLINGS
31.119.050
16
18
19
4
15
8
7
2
21
20
1
6
12
10
11
14
3
22
8
5
17
18
9
13
27.100.010
FIT
1:1
100%

Артикул

Название

Примечание

Количество

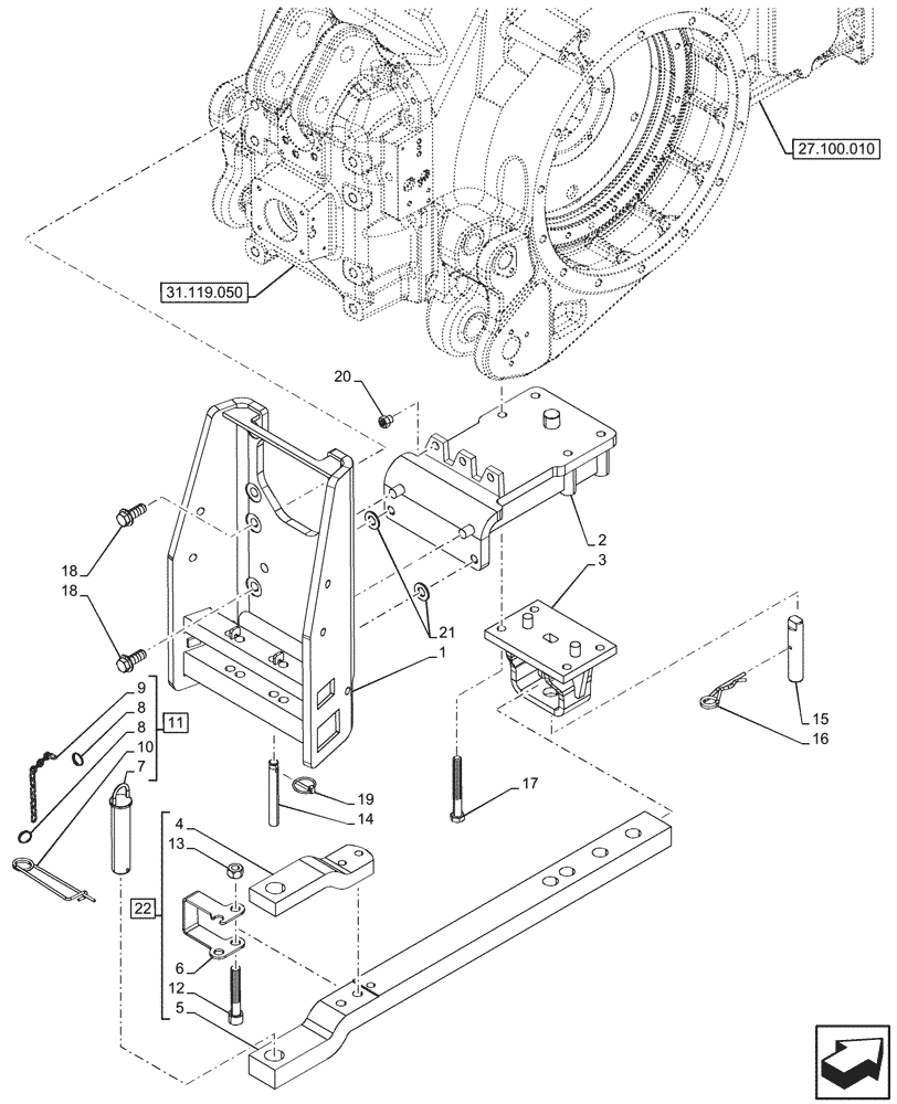
1

47945144

SUPPORT

Dark Gray

1шт.

2

47941757

SUPPORT

1шт.

3

47941755

BRACKET

1шт.

4

87306344

CLEVIS,42mm HD, 311mm L

1шт.

5

87561441

DRAWBAR

1шт.

6

47710305

BRACKET

1шт.

7

NSS

NOT SOLD SEPARAT

Pin, Incl in 11

1шт.

8

44901192

SNAP RING,25mm ID

2шт.

9

596063

LINK CHAIN,13 Links x 18mm = 234mm L

1шт.

10

5152004

HAIR PIN COTTER,195mm L

1шт.

11

82033860

HITCH PIN,40mm OD x 224mm L

ASSY, Inc 7 - 10

1шт.

12

47715191

SCREW,Hex, M20 x 2.5 x 120mm L, Cl 12.9

2шт.

13

47710514

NUT,Hex, M20 x 2.5, Cl 12

2шт.

14

82032378

PIN,20mm OD x 165mm L

2шт.

15

87561338

PIN,32mm OD x 156.5mm L

1шт.

16

82000094

SPRING,40mm OD x 142mm L

1шт.

17

15986234

SCREW,Hex, M18 x 1.5 x 150mm L, Cl 10.9

M18 x 1.5 x 150 Class 10.9 DAC

4шт.

18

47815309

SCREW,Hex, M20 x 1.5 x 50mm L, Cl 12.9

M20 x 1.5 x 50 12.9

8шт.

19

82014909

LOCK PIN,5.5mm OD

2шт.

20

15504021

NUT,M16 x 1.5

3шт.

21

47941170

SHIM,21mm ID x 40mm OD x 0.8mm Thk

2шт.

21

47961708

SHIM,21mm ID x 40mm OD x 1.2mm Thk, White

2шт.

21

47136468

SHIM,21mm ID x 40mm OD x 1.6mm Thk, Black

2шт.

21

47128135

SHIM,21mm ID x 40mm OD x 1.8mm Thk, Yellow

2шт.

21

47128136

SHIM,21mm ID x 40mm OD x 2.0mm Thk, Red

2шт.

21

47128137

SHIM,21mm ID x 40mm OD x 2.2mm Thk, Green

2шт.

21

47128138

SHIM,21mm ID x 40mm OD x 2.4mm Thk, Blue

2шт.

22

47714218

BRACKET

ASSY, Incl 4 - 6, 12, 13

1шт.

Выбрано товаров: 28