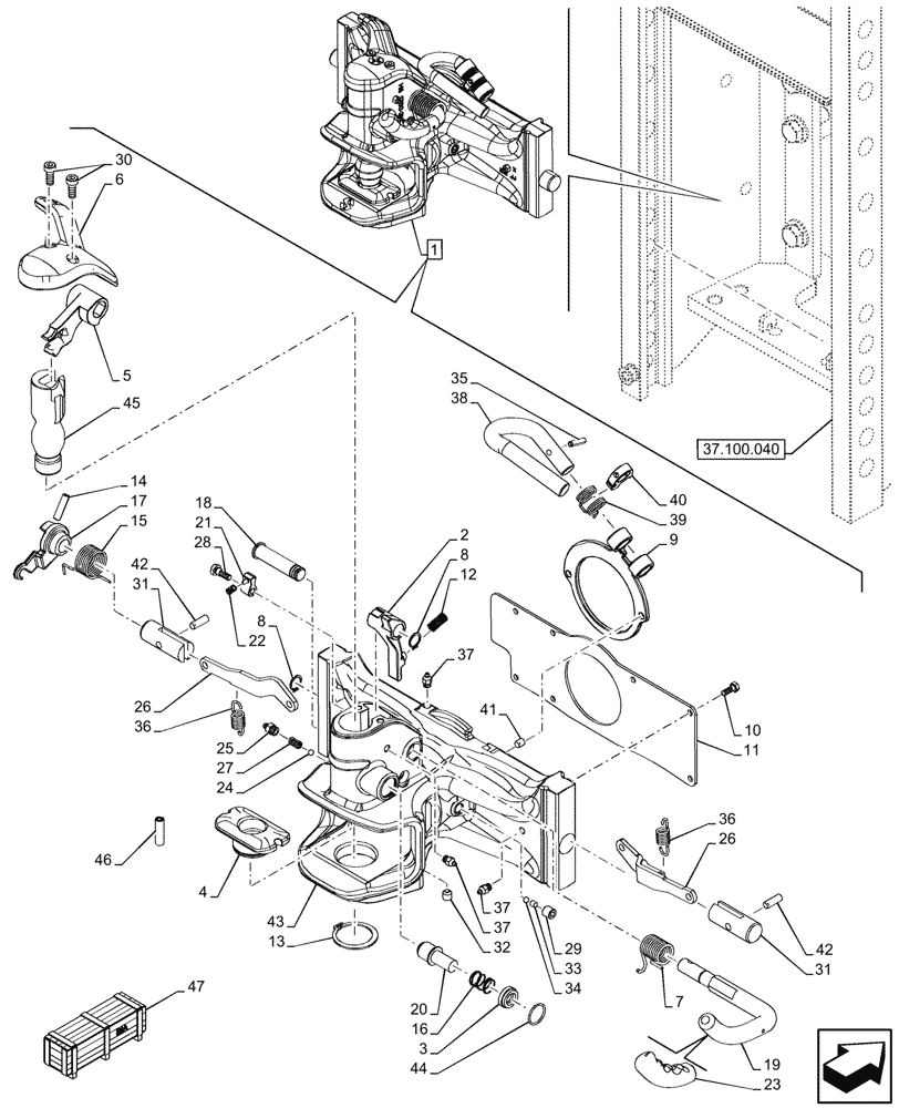
Запчасти Case IH OPTUM 270 CVT (37.106.080) - VAR - 758651, 758652, 758653, 758654 - TOW HOOK (GERMANY) (37) - HITCHES, DRAWBARS & IMPLEMENT COUPLINGS

Схема запчастей Case IH OPTUM 270 CVT - (37.106.080) - VAR - 758651, 758652, 758653, 758654 - TOW HOOK (GERMANY) (37) - HITCHES, DRAWBARS & IMPLEMENT COUPLINGS
37.100.040
21
20
12
29
11
38
16
4
36
34
3
5
30
37
23
13
7
45
35
44
31
36
18
10
37
28
25
47
24
31
17
41
46
42
26
6
8
43
14
26
37
32
42
39
27
8
22
15
40
9
33
1
19
2
FIT
1:1
100%

Артикул

Название

Примечание

Количество

1

47863355

TOW HOOK

ASSY, Incl 2 - 46

1шт.

2

47692887

LEVER

1шт.

3

47692891

WASHER

1шт.

4

47692889

PLATE

1шт.

5

47692481

LEVER

1шт.

6

47692475

COVER

1шт.

7

47692965

SPRING

1шт.

8

11066471

SNAP RING,M16, Ext

2шт.

9

47689185

BRACKET

1шт.

10

10902324

BOLT,Hex, M6 x 18mm, Cl 8.8, Full Thd

8шт.

11

47689199

PLATE

1шт.

12

47692973

SPRING,17.6mm ID x 110mm OD x 1.6mm Thk

1шт.

13

370007

SNAP RING,M45, Ext

1шт.

14

300871

LOCK PIN,M8 x 30, Slotted

1шт.

15

47692962

SPRING

1шт.

16

47692938

SPRING,17mm ID x 44.6mm OD x 1mm Thk

1шт.

17

47692959

LEVER

1шт.

18

47692947

BOLT

1шт.

19

47692933

HANDLE

1шт.

20

47692893

LOCK PIN

1шт.

21

47692977

LOCKING RING

1шт.

22

47692983

SPRING,6.3mm ID x 20mm OD x 1.25mm Thk

1шт.

23

47692987

HANDLE

1шт.

24

47692990

BALL,32mm Pin, 390mm L, 28.6Kg

1шт.

25

332038

LUBE NIPPLE,M10 x 1.18

1шт.

26

47689184

ROD

2шт.

27

47692992

COMPRESSION SPRING

1шт.

28

47692980

BOLT

1шт.

29

877-31212

SET SCREW,Hex Skt M12 x 12mm, Flat Pt

1шт.

30

13028524

SCREW,M8 x 20mm

2шт.

31

47689186

LOCK PIN

2шт.

32

87352677

SCREW,M10 x 10mm, Cl 8.8

1шт.

33

47692974

SPACER

1шт.

34

47692976

SPACER

1шт.

35

14604379

PIN,6mm OD x 36mm L

1шт.

36

47689196

SPRING

2шт.

37

87563868

FITTING,M8 x 1.17mm

3шт.

38

47692989

HANDLE

1шт.

39

47689191

SPRING

1шт.

40

47689182

HOLDER

1шт.

41

47689788

DOWEL,8mm OD x 10mm L

2шт.

42

47689801

DOWEL,8mm OD x 24mm L

2шт.

43

NSS

NOT SOLD SEPARAT

Coupling, Incl in 1

1шт.

44

47695030

SNAP RING,25mm OD

1шт.

45

84366583

HITCH PIN

1шт.

46

47694961

PIN,8mm OD x 30mm L, Coiled

2шт.

47

731020014

DIA KIT, TRACTOR

Swivel Hook German Type W/ 38mm Pin, Incl 1 - 46

1шт.

To See Full DIA KIT Composition Look for all the Figures Where the DIA KIT P/N Is Shown

1шт.

Выбрано товаров: 48