Запчасти Case IH OPTUM 270 CVT (37.110.020) - VAR - 758085, 758086 - 3 POINT HITCH, IMPLEMENT CONTROL, COVER (37) - HITCHES, DRAWBARS & IMPLEMENT COUPLINGS

Схема запчастей Case IH OPTUM 270 CVT - (37.110.020) - VAR - 758085, 758086 - 3 POINT HITCH, IMPLEMENT CONTROL, COVER (37) - HITCHES, DRAWBARS & IMPLEMENT COUPLINGS
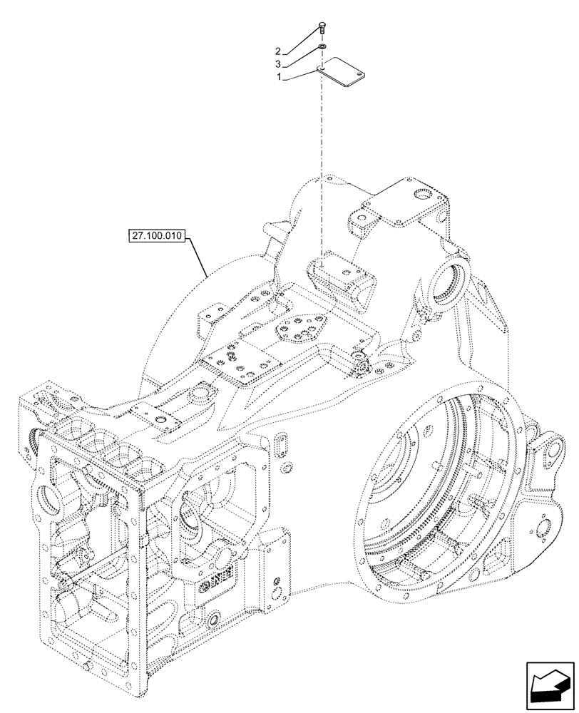
27.100.010
1
3
2
FIT
1:1
100%

Артикул

Название

Примечание

Количество

1

47685549

COVER

1шт.

2

120104

BOLT,Hex, M8 x 1.25 x 20mm, Cl 8.8

1шт.

3

86624184

WASHER,9mm ID x 16mm OD x 1.6mm Thk

1шт.

Выбрано товаров: 3