Запчасти Case IH OPTUM 270 CVT (37.120.190) - VAR - 758761, 758762 - 3 POINT HITCH, CAT 3, HYDRAULIC, UPPER LINK, W/ QUICK ATTACH HOOK LINK ENDS, COMPONENTS (37) - HITCHES, DRAWBARS & IMPLEMENT COUPLINGS

Схема запчастей Case IH OPTUM 270 CVT - (37.120.190) - VAR - 758761, 758762 - 3 POINT HITCH, CAT 3, HYDRAULIC, UPPER LINK, W/ QUICK ATTACH HOOK LINK ENDS, COMPONENTS (37) - HITCHES, DRAWBARS & IMPLEMENT COUPLINGS
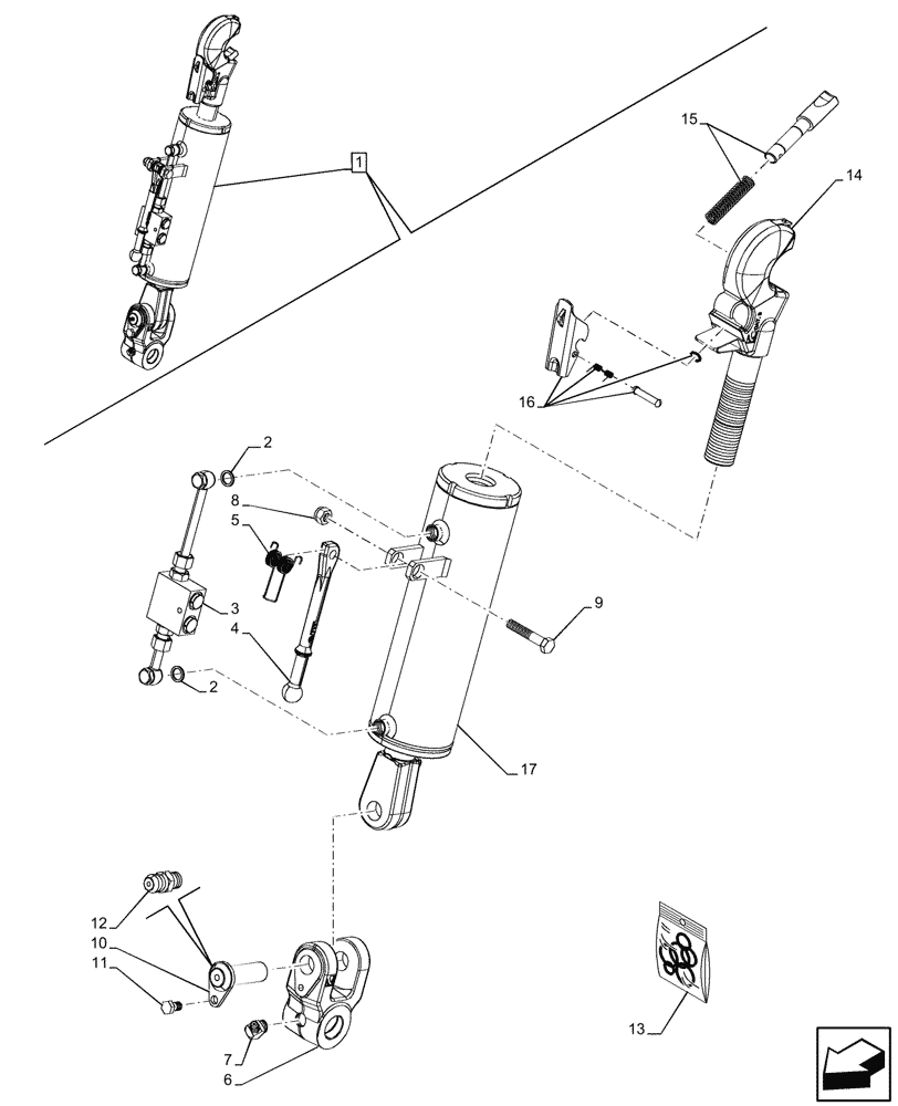
1
9
10
5
7
2
16
15
14
6
12
17
13
2
11
4
3
8
FIT
1:1
100%

Артикул

Название

Примечание

Количество

1

47526836

UPPER LINK

ASSY, Incl 2 - 17

1шт.

2

47632565

SEAL

4шт.

3

47629273

VALVE

1шт.

4

5172394

LEVER

1шт.

5

47629278

SPRING

1шт.

6

47629076

YOKE

1шт.

7

13407811

LUBE NIPPLE,Angled - 45 Degree, M10 x 1 x 27.00mm

1шт.

8

87497916

NUT,Hex, M12 x 1.75, Cl 8

1шт.

9

300809

BOLT,Hex, M12 x 1.75 x 65mm, Cl 8.8

1шт.

10

47629080

PIN

1шт.

11

300383

BOLT,Hex, M10 x 1.5 x 16mm, Cl 8.8, Full Thd

1шт.

12

80714

LUBE NIPPLE,1/4"-28 NPT x .54" lg

1шт.

13

47631123

SEAL KIT

1шт.

14

47629282

HOOK

1шт.

15

47637515

REPAIR KIT

1шт.

16

47637516

REPAIR KIT

1шт.

17

NSS

NOT SOLD SEPARAT

Body, Incl in 1

1шт.

Выбрано товаров: 17