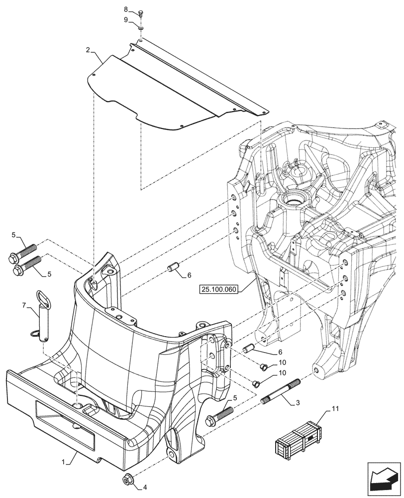
Запчасти Case IH OPTUM 270 CVT (39.140.090) - VAR - 758774, 758775, 758776, 759123 - FRONT WEIGHT CARRIER (39) - FRAMES AND BALLASTING

Схема запчастей Case IH OPTUM 270 CVT - (39.140.090) - VAR - 758774, 758775, 758776, 759123 - FRONT WEIGHT CARRIER (39) - FRAMES AND BALLASTING
25.100.060
6
5
10
9
4
6
7
11
10
1
5
2
5
3
8
FIT
1:1
100%

Артикул

Название

Примечание

Количество

1

47637268

WEIGHT CARRIER

1шт.

2

47752034

COVER ASSY

1шт.

3

47658705

STUD,M20 x 2.5 x 185mm L

2шт.

4

86981465

FLANGE NUT,Hex, M20 x 2.5

2шт.

5

47816931

SCREW,Hex, M22 x 1.5 x 10mm L

4шт.

6

47818085

PIN,20mm OD x 40mm L

2шт.

7

82012484

PIN,31.5mm OD x 197mm L

1шт.

8

16043321

BOLT,Hex, M8 x 1.25 x 18mm, Cl 8.8, Full Thd

6шт.

9

14496525

WASHER

6шт.

10

85700614

DUST CAP,0.532", 0.750" OD, 0.437" D

4шт.

Valid for OPTUM 270 CVX, OPTUM 300 CVX, OPTUM 270 CVT, OPTUM 300 CVT Models Only

1шт.

To See Full DIA KIT Composition Look for all the Figures Where the DIA KIT P/N Is Shown

1шт.

Valid for 6270 CVT, 6300 CVT Models Only

1шт.

To See Full DIA KIT Composition Look for all the Figures Where the DIA KIT P/N Is Shown

1шт.

Выбрано товаров: 14