Запчасти Case IH OPTUM 270 CVT (55.022.010) - VAR - 391138, 758022, 758870, 759053 - TRANSMISSION, TEMPERATURE SWITCH (55) - ELECTRICAL SYSTEMS

Схема запчастей Case IH OPTUM 270 CVT - (55.022.010) - VAR - 391138, 758022, 758870, 759053 - TRANSMISSION, TEMPERATURE SWITCH (55) - ELECTRICAL SYSTEMS
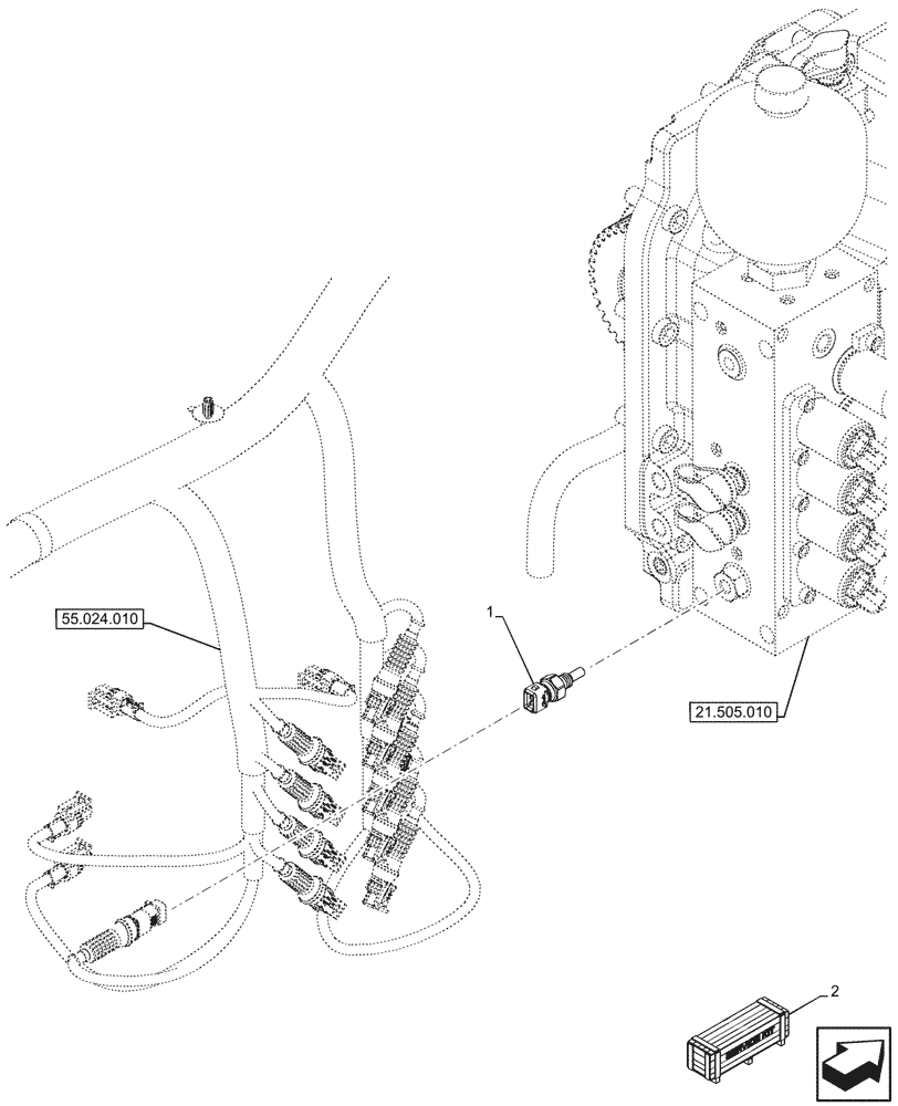
21.505.010
2
1
55.024.010
FIT
1:1
100%

Артикул

Название

Примечание

Количество

1

47815991

TEMPERATURE SENDER

Transmission, Temperature

1шт.

2

47912889

GEARBOX

Transmission ASSY, Incl 1

1шт.

See all the Included Components by searching for the PN 47912889

1шт.

Выбрано товаров: 3