Запчасти Case IH OPTUM 270 CVT (55.035.020) - VAR - 758064, 758066 - REMOTE CONTROL VALVE (55) - ELECTRICAL SYSTEMS

Схема запчастей Case IH OPTUM 270 CVT - (55.035.020) - VAR - 758064, 758066 - REMOTE CONTROL VALVE (55) - ELECTRICAL SYSTEMS
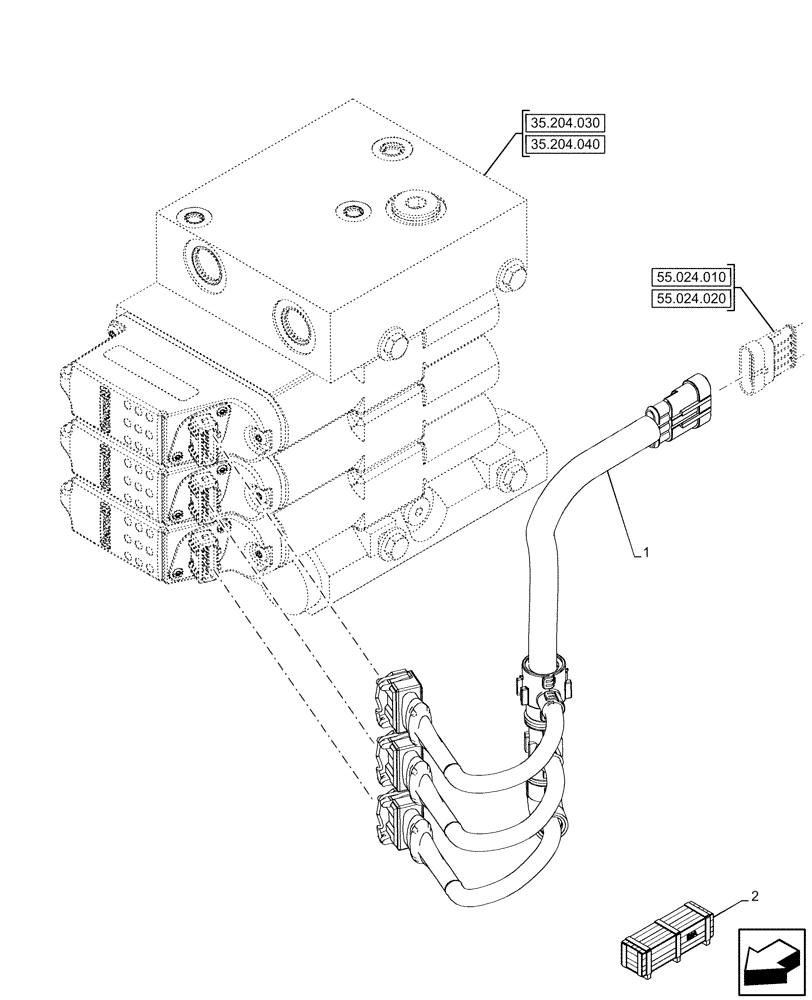
35.204.040
1
2
35.204.030
55.024.020
55.024.010
FIT
1:1
100%

Артикул

Название

Примечание

Количество

1

47775902

WIRE HARNESS

Mid Mount EHRS

1шт.

2

731004014

DIA KIT, TRACTOR

Elec. Mid Mount Kit 1 Valve, Incl 1

1шт.

To See Full DIA KIT Composition Look for all the Figures Where the DIA KIT P/N Is Shown

1шт.

2

731008014

DIA KIT, TRACTOR

Elec. Mid Mount Kit 3 Valves, Incl 1

1шт.

To See Full DIA KIT Composition Look for all the Figures Where the DIA KIT P/N Is Shown

1шт.

Выбрано товаров: 5