Запчасти Case IH OPTUM 270 CVT (55.512.230) - VAR - 758783, 758784, 758785, 758786, 758787, 758788, 758789, 758790, 758791, 759433 - ARMREST, ELECTRIC SYSTEM CONTROL, COVER (55) - ELECTRICAL SYSTEMS

Схема запчастей Case IH OPTUM 270 CVT - (55.512.230) - VAR - 758783, 758784, 758785, 758786, 758787, 758788, 758789, 758790, 758791, 759433 - ARMREST, ELECTRIC SYSTEM CONTROL, COVER (55) - ELECTRICAL SYSTEMS
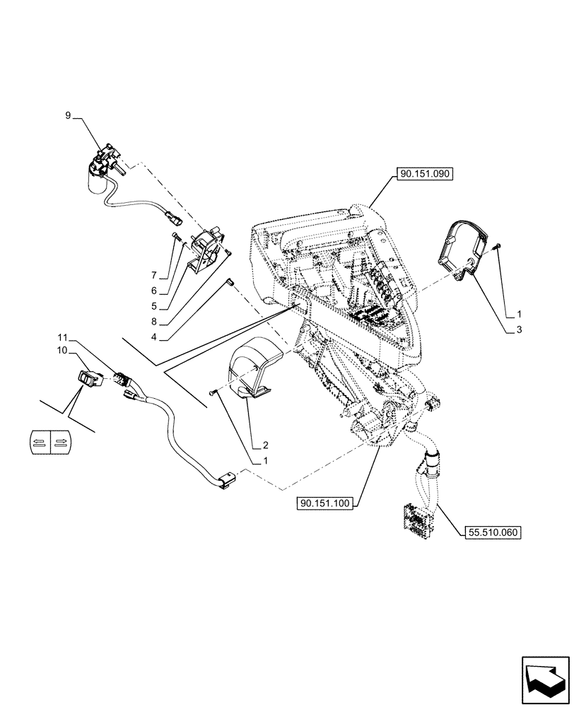
55.510.060
10
9
1
11
7
4
1
8
2
5
6
3
90.151.090
90.151.100
FIT
1:1
100%

Артикул

Название

Примечание

Количество

1

15903977

SELF-TAP SCREW,Pan Head, M4.8 x 1.6 x 19mm

7шт.

2

84201762

SHELL

Inside

1шт.

3

84201783

SHELL

Outside

1шт.

4

15624411

RIVET,Flat, M6 OD x 16mm L

2шт.

5

84201758

HOLDER

1шт.

6

14496401

WASHER,M6.4 x 12.00mm x 1.60mm

2шт.

7

86531615

HEX SOC SCREW,M6 x 20mm, Cl 8.8

2шт.

8

86625213

HEX SOC SCREW,M5 x 12mm, Cl 8.8

3шт.

9

84235755

ELECTRIC MOTOR,12V

Garu Armrest Electric Adjustment

1шт.

10

87494094

SWITCH ASSY

Rocker, Garu Armrest Electric Adjustment

1шт.

11

84195895

WIRE HARNESS

Garu Armrest Electric Adjustment

1шт.

Выбрано товаров: 11