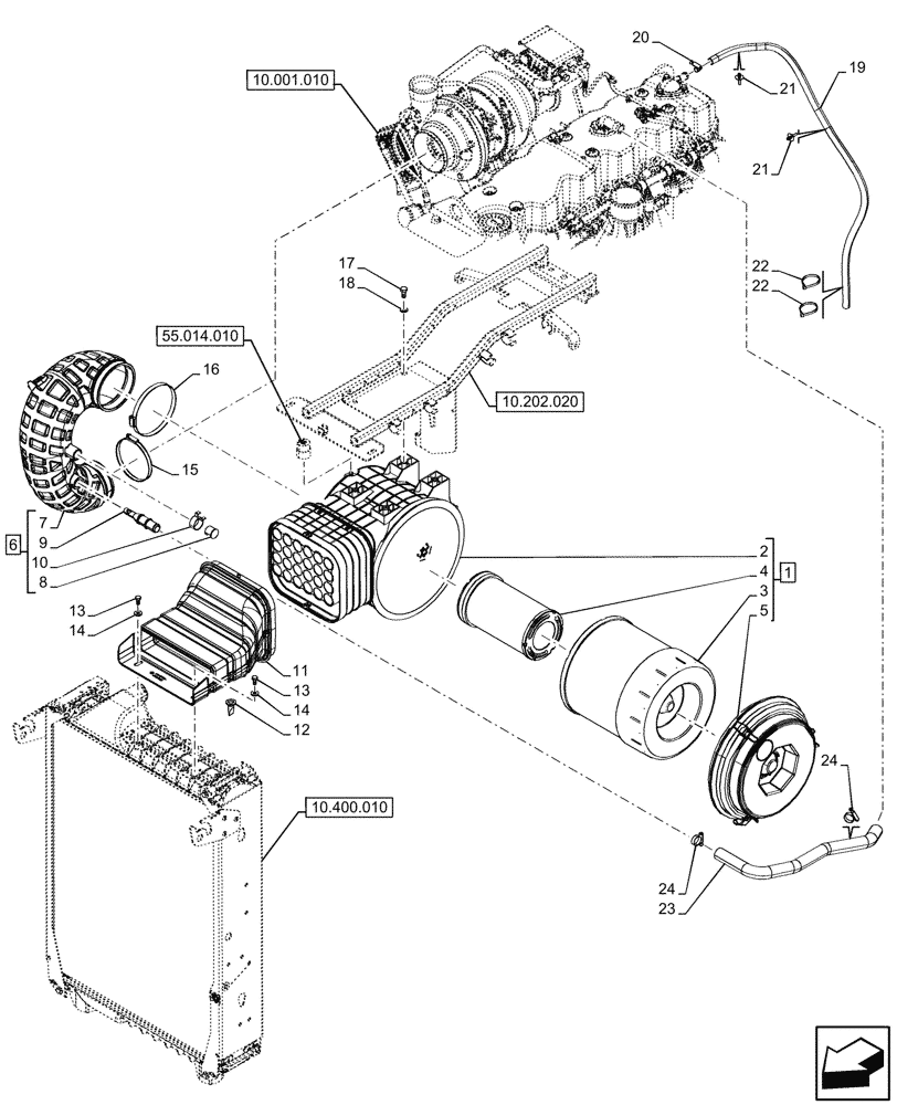
Запчасти Case IH OPTUM 270 CVT (10.202.010) - VAR - 391130, 758000, 759041 - AIR CLEANER, COMPONENTS, TUBE (10) - ENGINE

Схема запчастей Case IH OPTUM 270 CVT - (10.202.010) - VAR - 391130, 758000, 759041 - AIR CLEANER, COMPONENTS, TUBE (10) - ENGINE
10.202.020
14
23
19
7
9
24
10
22
18
17
22
8
21
12
13
2
16
20
6
15
3
11
13
4
5
14
21
24
1
55.014.010
10.001.010
10.400.010
FIT
1:1
100%

Артикул

Название

Примечание

Количество

1

87517150

AIR FILTER,127mm ID x 347mm OD x 481.5mm L

ASSY, Incl 2 - 5

1шт.

See also Air Cleaner Components in Figure 55.014.010

1шт.

2

NSS

NOT SOLD SEPARAT

Air Cleaner, Incl in 1

1шт.

3

87517154

AIR FILTER,281.6mm ID x 284.4mm OD x 319mm L

Main, on Air Cleaner, Primary

1шт.

4

87517153

AIR FILTER,142.3mm ID x 150.9mm OD x 258mm L

Safety, on Air Cleaner, Secondary

1шт.

5

87517152

COVER

1шт.

6

47482196

AIR INTAKE TUBE

ASSY, Intake Air, Incl 7 - 10

1шт.

7

NSS

NOT SOLD SEPARAT

Tube, Incl in 6

1шт.

8

82019459

PLUG,Polypropylene Air cleaner hose

1шт.

9

87393930

TUBE,23.5 mm OD x 118 mm L

Blow By

1шт.

10

13387470

HOSE CLAMP,31mm - 34mm

1шт.

11

47576612

DUCT

1шт.

12

84538366

PLASTIC-RUBBER TUBE,26mm OD x 40mm L

Drenage

1шт.

13

120103

BOLT,M8 x 1.25 x 16mm, Cl 8.8

2шт.

14

12647121

WASHER,8.15mm ID x 20mm OD x 3mm Thk

2шт.

15

82036460

HOSE CLAMP,110mm - 130mm, Worm Gear

1шт.

16

82038745

CLAMP,130mm - 150mm

1шт.

17

43138

BOLT,Hex, M10 x 1.5 x 20mm, Cl 8.8

4шт.

18

140017

WASHER,M10 x 20mm OD x 2mm Thk

4шт.

19

47617181

HYDRAULIC HOSE,14.5mm ID x 1060mm L

Air

1шт.

20

82039341

CLAMP,12mm - 22mm

1шт.

21

82033028

CABLE TIE,170mm L

2шт.

22

86566989

CABLE TIE,208mm L

2шт.

23

47908893

HOSE

Intake Air

1шт.

24

82036709

HOSE CLAMP,25mm - 40mm, Worm Gear

2шт.

Выбрано товаров: 25