Запчасти Case IH OPTUM 270 CVT (90.108.330) - VAR - 391169, 75868, 758070 - ARMREST, CONTROL, DECAL (90) - PLATFORM, CAB, BODYWORK AND DECALS

Схема запчастей Case IH OPTUM 270 CVT - (90.108.330) - VAR - 391169, 75868, 758070 - ARMREST, CONTROL, DECAL (90) - PLATFORM, CAB, BODYWORK AND DECALS
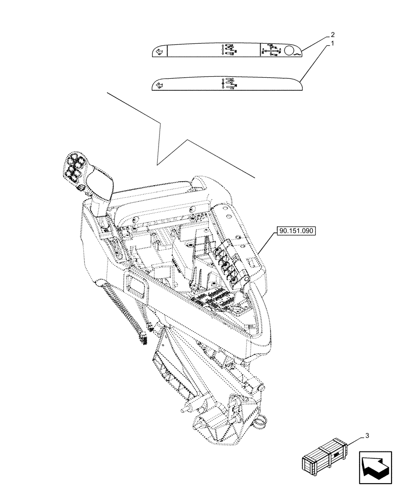
90.151.090
3
2
1
FIT
1:1
100%

Артикул

Название

Примечание

Количество

1

84126449

DECAL

EHR, less Joystick

1шт.

2

84126448

DECAL

EHR, with Joystick

1шт.

3

719301044

DIA KIT, TRACTOR

Joystick, W/ Div. Button and 2 Ancillary 12V Button, Incl 2

1шт.

To See Full DIA KIT Composition Look for all the Figures Where the DIA KIT P/N Is Shown

1шт.

3

719300034

DIA KIT, TRACTOR

Electronic Joystick with Proportional Sim. Control of 3rd Function, Incl 2

1шт.

To See Full DIA KIT Composition Look for all the Figures Where the DIA KIT P/N Is Shown

1шт.

Выбрано товаров: 6