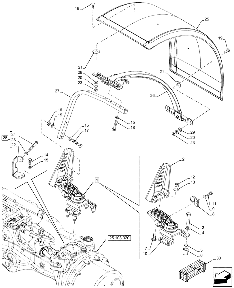
Запчасти Case IH OPTUM 270 CVT (90.116.070) - VAR - 758646 - FRONT FENDER (680MM) (90) - PLATFORM, CAB, BODYWORK AND DECALS

Схема запчастей Case IH OPTUM 270 CVT - (90.116.070) - VAR - 758646 - FRONT FENDER (680MM) (90) - PLATFORM, CAB, BODYWORK AND DECALS
25.108.020
12
22
30
15
11
4
25
15
19
1
10
9
21
24
23
28
3
27
6
16
8
13
19
23
2
23
7
21
20
15
20
26
17
18
14
15
5
29
29
FIT
1:1
100%

Артикул

Название

Примечание

Количество

1

47874449

HUB

RH, ASSY, Incl 2 - 13

1шт.

1

47874450

HUB

LH, ASSY, Incl 2 - 13

1шт.

2

47782109

BRACKET

RH

1шт.

2

47782141

SUPPORT

LH

1шт.

3

15981221

SCREW,Hex, M16 x 1.5 x 65mm, Cl 8.8

4шт.

4

14496901

WASHER,17mm ID x 30mm OD x 3mm Thk

4шт.

5

87611913

GASKET

4шт.

6

47883428

SPACER

4шт.

7

47782117

SCREW,Hex, M14 x 1.5 x 42mm L, Cl 10.9

2шт.

8

47801117

STOP

RH

1шт.

8

47801127

STOP

LH

1шт.

9

11198579

BELLEVILLE WASHER,M10 Bolt Size x 20mm OD x 1.9mm Thk

1шт.

10

NSS

NOT SOLD SEPARAT

RH, ASSY, Incl 11 - 21

1шт.

11

11306924

BOLT,Hex, M10 x 1.25 x 30, 8.8, Full Thd

1шт.

12

87331401

NUT,Prev Torque, M14, 2mm Pitch, CL10

2шт.

13

14496804

WASHER,15mm ID x 28mm OD x 2.5mm Thk

2шт.

14

15540331

BOLT,Hex, M12 x 1.25 x 25mm, Cl 10.9, Full Thd

2шт.

15

14496701

WASHER,13.00mm ID x 24.00mm OD x 2.50mm, CST, ZND

8шт.

16

12164911

NUT,M12 x 1.75, Cl 8

2шт.

17

15541121

SCREW,Hex, M12 x 1.25 x 65mm, Cl 8.8

2шт.

18

15540934

SCREW,Hex, M12 x 1.25 x 55mm, Cl 10.9

2шт.

19

13183201

CARRIAGE BOLT,Sq Nk, M10 x 1.5 x 30mm, Cl 4.8

4шт.

20

12626201

WASHER,10.2mm ID x 25mm OD x 3mm Thk

4шт.

21

84145763

WASHER,14mm ID x 41.3mm OD x 2.64mm Thk

4шт.

22

NSS

NOT SOLD SEPARAT

Bracket, Incl in 28

1шт.

23

11701711

NUT,Hex, M10, Cl 8, ZND

5шт.

24

538885

BOLT,Hex, M10 x 1.5 x 90mm, Cl 8.8, Full Thd

1шт.

25

47642319

FRONT FENDER

680mm Wide

2шт.

26

47741331

FRAME

2шт.

27

47874451

BEAM

1шт.

28

47662212

STOP

RH, ASSY, Incl 22, 23 (Qty1), 24

1шт.

28

47662225

STOP

LH, ASSY, Incl 22, 23 (Qty1), 24

1шт.

29

11198574

BELLEVILLE WASHER,Belleville, M10.5

4шт.

30

731023014

DIA KIT, TRACTOR

Dynamic Front Fenders, 680 Wide, Incl 1 - 29

1шт.

To See Full DIA KIT Composition Look for all the Figures Where the DIA KIT P/N Is Shown

1шт.

Выбрано товаров: 35