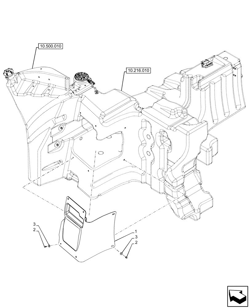
Запчасти Case IH OPTUM 270 CVT (10.216.070) - VAR - 391173, 758654, 758655, 758655, 758656, 758657, 758658, 758861, 758862 - FUEL TANK, COVER (10) - ENGINE

Схема запчастей Case IH OPTUM 270 CVT - (10.216.070) - VAR - 391173, 758654, 758655, 758655, 758656, 758657, 758658, 758861, 758862 - FUEL TANK, COVER (10) - ENGINE
10.216.010
2
3
1
2
3
10.500.010
FIT
1:1
100%

Артикул

Название

Примечание

Количество

1

47733124

COVER

1шт.

2

412555

BOLT,Hex, M8 x 16mm, Cl 8.8, Full Thd

6шт.

3

12647004

WASHER,8.15mm ID x 25mm OD x 2.5mm Thk

6шт.

Выбрано товаров: 3