Запчасти Case IH OPTUM 300 CVT (21.504.020) - VAR - 391138, 758022, 758870, 759053 - TRANSMISSION HOUSING, COMPONENTS (21) - TRANSMISSION

Схема запчастей Case IH OPTUM 300 CVT - (21.504.020) - VAR - 391138, 758022, 758870, 759053 - TRANSMISSION HOUSING, COMPONENTS (21) - TRANSMISSION
15
9
8
9
1
10
14
3
4
12
7
9
9
16
18
13
5
5
5
11
6
17
2
FIT
1:1
100%

Артикул

Название

Примечание

Количество

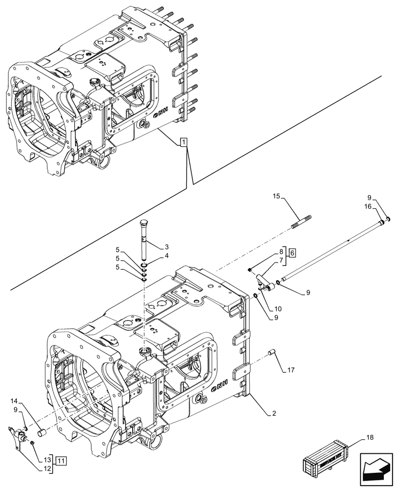
1

47639634

HOUSING

ASSY, Incl 2 - 17

1шт.

2

NSS

NOT SOLD SEPARAT

Gearbox, Incl in 1

1шт.

3

47529277

PIPE

1шт.

4

14438185

O-RING,24mm ID x 3mm

1шт.

5

14453480

O-RING,17.17mm ID x 1.78mm

3шт.

6

47640797

PIPE FITTING,M12 x 1.25

ASSY, Incl 7, 8

1шт.

7

NSS

NOT SOLD SEPARAT

Pipe Fitting, Incl in 6

1шт.

8

10275504

HEX PLUG

M21 x 1.25 x 11

1шт.

9

45483319

O-RING

4шт.

10

14457080

O-RING,0.103" Thk x 0.487" ID, -112, Cl 5, 75 Duro

1шт.

11

47640802

PIPE FITTING,M14 x 1.5

ASST, Incl 12, 13

1шт.

12

NSS

NOT SOLD SEPARAT

Pipe Fitting, Incl in 11

1шт.

13

10269504

PLUG,M14 x 1.5

1шт.

14

87552010

BUSHING,24mm ID x 27mm OD x 30mm

24mm ID x 27mm OD x 30mm

2шт.

15

13973034

STUD,M16 x 1.5 x 90, 10.9 DAC

M16 x 1.5 x 90

18шт.

16

47640795

PIPE

1шт.

17

5185790

DOWEL,18mm OD x 30mm L

2шт.

18

47912889

GEARBOX

Transmission ASSY, Incl 1 - 17

1шт.

See all the Included Components by searching for the PN 47912889

1шт.

Выбрано товаров: 19