Запчасти Case IH OPTUM 300 CVT (21.506.020) - VAR - 391138, 758022, 758870, 759053 - TRANSMISSION, LUBRICATION, PUMP, COMPONENTS (21) - TRANSMISSION

Схема запчастей Case IH OPTUM 300 CVT - (21.506.020) - VAR - 391138, 758022, 758870, 759053 - TRANSMISSION, LUBRICATION, PUMP, COMPONENTS (21) - TRANSMISSION
55.024.010
24
7
11
6
16
19
17
3
10
4
14
13
12
16
21
9
20
26
15
5
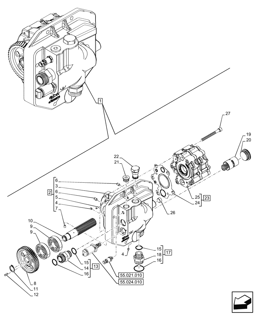
2
25
23
4
9
15
27
6
18
8
22
1
55.021.010
FIT
1:1
100%

Артикул

Название

Примечание

Количество

1

NS

NOT SERVICED

ASSY, Incl 2 - 27, only Components available for Service

1шт.

See also Lubrication Pump Components in Figure 55.021.010, 55.024.030

1шт.

2

47634505

COVER ASSY

ASSY, Incl 3 - 7

1шт.

3

NSS

NOT SOLD SEPARAT

Lubrication Pump Cover, Incl in 2

1шт.

4

14536390

PLUG

4шт.

5

10335920

PIN,6mm OD x 14mm L

2шт.

6

10839710

DOWEL,M10 x 15.00mm

2шт.

7

14326101

PLUG,M8 x 11

1шт.

8

47646677

GEAR,48T

Driven, Z 48

1шт.

9

20045200

BALL BEARING,35mm ID x 80mm OD x 21mm

2шт.

10

47646679

SHAFT,206mm L

Driven, 206mm

1шт.

11

5140018

SNAP RING,M30, Ext

1шт.

12

385002

KEY,6mm x 6mm x 20mm

1шт.

13

47796779

FITTING

ASSY, Incl 14, 15 (Qty 1), 16 (Qty 1)

1шт.

14

47705090

FITTING,M33 x 2 x 68.5mm L

1шт.

15

86598104

O-RING,2.9mm Thk x 29.6mm ID, Cl 6, 90 Duro

2шт.

16

9824051

O-RING,0.07" Thk x 1.176" ID, -25, Cl 6, 90 Duro

2шт.

17

86579684

HYD CONNECTOR,1-11/16"-12 ORFS x M33 x 2.0 ORB

ASSY, Incl 15 (Qty 1), 16 (Qty 1), 18

1шт.

18

NSS

NOT SOLD SEPARAT

Connector, Incl in 17

1шт.

19

47812137

VALVE

1шт.

20

47556241

PLUG,M50 x 2 x 21mm L

1шт.

21

10119011

PLUG,M27 x 2 x 20, Cl5.8

1шт.

22

47822274

CHECK VALVE

1шт.

23

47831885

PUMP

ASSY, Incl 24, 25

1шт.

24

47694572

GASKET,65mm ID x 0.5mm Thk

1шт.

25

47664440

PUMP

1шт.

26

10269804

PLUG,M22 x 1.5

1шт.

27

14332724

HEX SOC SCREW,M12 x 1.25 x 120mm, Cl 8.8

5шт.

Выбрано товаров: 28