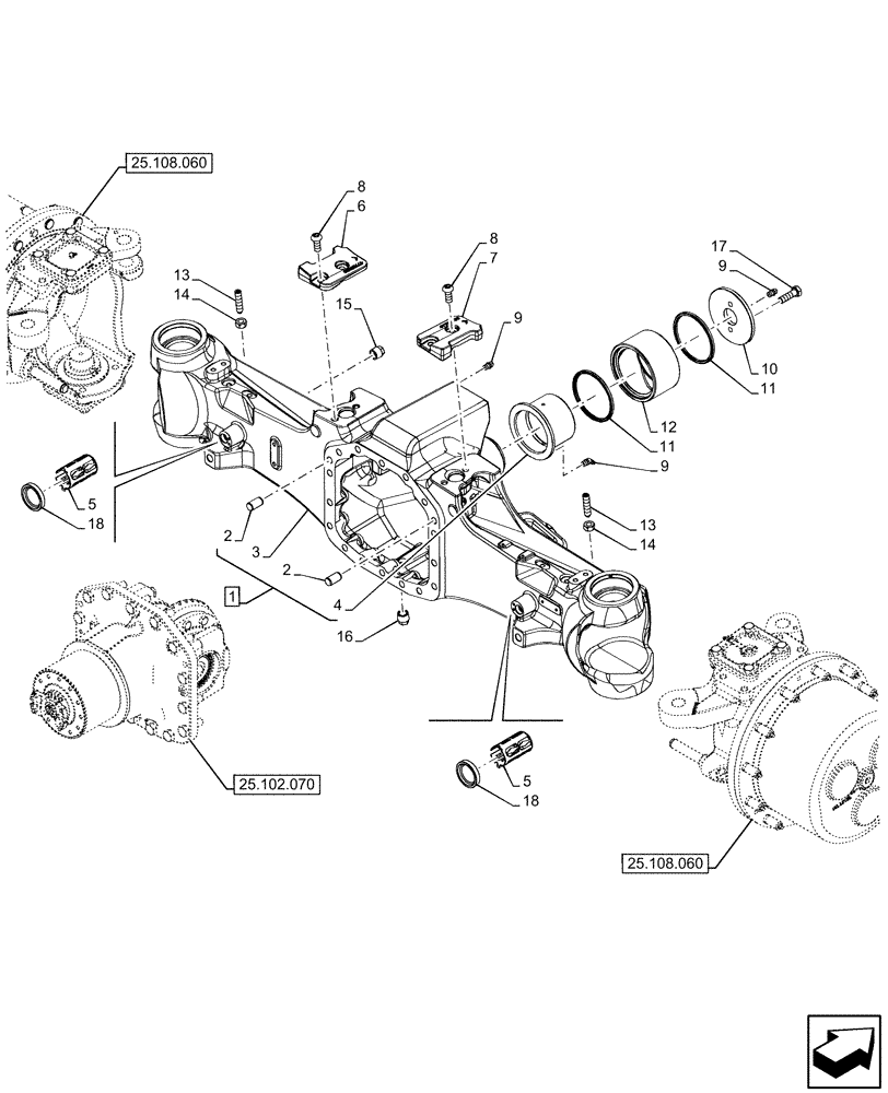
Запчасти Case IH OPTUM 300 CVT (25.100.040) - VAR - 758796 - FRONT AXLE, W/ FRONT BRAKES, W/ ANTILOCK BRAKING SYSTEM (ABS), HOUSING (25) - FRONT AXLE SYSTEM

Схема запчастей Case IH OPTUM 300 CVT - (25.100.040) - VAR - 758796 - FRONT AXLE, W/ FRONT BRAKES, W/ ANTILOCK BRAKING SYSTEM (ABS), HOUSING (25) - FRONT AXLE SYSTEM
25.108.060
14
17
13
3
18
10
5
9
5
8
11
4
1
14
11
15
18
2
8
16
9
12
2
7
9
6
13
25.102.070
25.108.060
FIT
1:1
100%

Артикул

Название

Примечание

Количество

1

47489534

AXLE HOUSING

ASSY, Incl 2 - 4

1шт.

2

5174376

DOWEL,M16 x 30

2шт.

3

NSS

NOT SOLD SEPARAT

Housing, Incl in 1

1шт.

4

47663914

BUSHING,105mm ID x 115mm OD x 95mm L, flangeOD 148mm

1шт.

5

84395487

SLEEVE,16mm ID x 18mm OD x 31.5mm L

2шт.

6

47769786

STOP

LH

1шт.

7

47769783

STOP

RH

1шт.

8

47443987

HEX SOC SCREW,BTN HD, M12 x 30mm, Cl 10.9

4шт.

9

13407811

LUBE NIPPLE,Angled - 45 Degree, M10 x 1 x 27.00mm

3шт.

10

47866556

RETAINER,45mm ID x 154mm OD x 10mm Thk

1шт.

11

47746724

SEAL,125mm ID x 140mm OD x 7mm Thk

2шт.

12

47509536

BUSHING,160mm OD x 102mm L

1шт.

13

87316865

SET SCREW,M12 x 1.25 x 53mm

2шт.

14

16101511

NUT,M12 x 1.25, Cl 8

2шт.

15

14324411

MAGNETIC PLUG,M22 x 1.50, Cl 5.8, ZND

1шт.

16

14326211

PLUG,M22 x 1.50, R50, ZND

1шт.

17

14274734

LOCK BOLT,Hex, M12 x 1.25 x 40mm, Cl 10.9

2шт.

18

84525421

GASKET,16mm ID x 24mm OD x 4mm Thk

2шт.

Выбрано товаров: 18