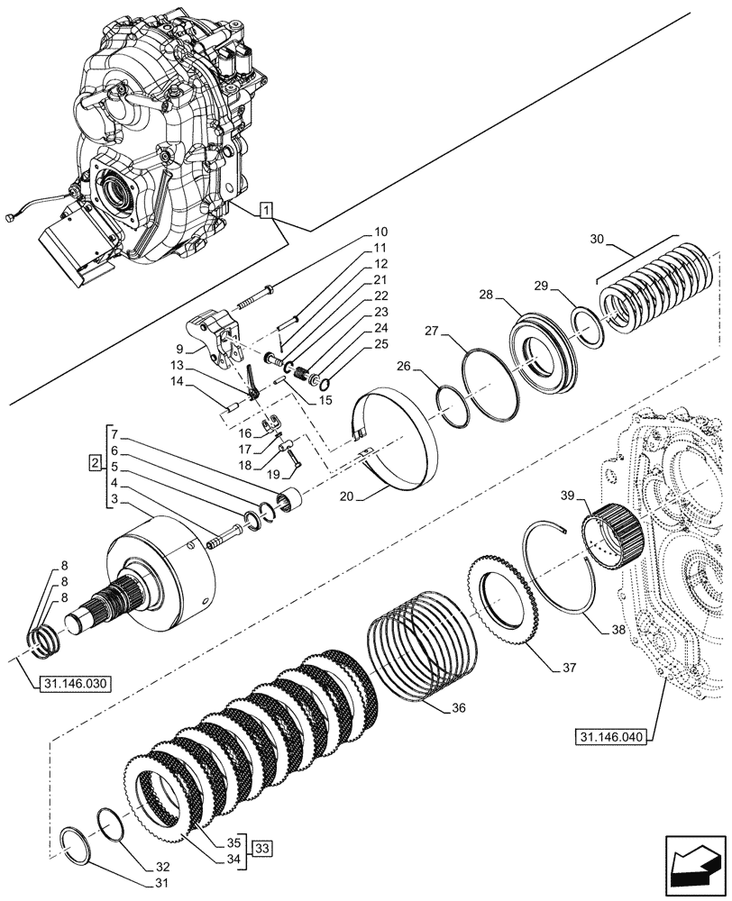
Запчасти Case IH OPTUM 300 CVT (31.146.050) - VAR - 758772, 758773, 759307, 759308 - FRONT PTO, COMPONENTS (31) - IMPLEMENT POWER TAKE OFF

Схема запчастей Case IH OPTUM 300 CVT - (31.146.050) - VAR - 758772, 758773, 759307, 759308 - FRONT PTO, COMPONENTS (31) - IMPLEMENT POWER TAKE OFF
31.146.030
38
29
17
21
15
25
32
3
16
7
33
9
6
24
8
35
39
4
28
30
20
8
26
14
31
8
18
5
23
1
37
12
11
10
2
36
19
13
34
22
27
31.146.040
FIT
1:1
100%

Артикул

Название

Примечание

Количество

1

47894651

FRONT PTO ASSY

CCW, Incl 2 - 39

1шт.

See Front PTO Components also in Figure 31.146.020, 31.146.030, 31.146.040, 31.146.060, 55.049.010

1шт.

2

87558759

PTO SHAFT

ASSY, Incl 3 - 7

1шт.

3

87585033

SHAFT,166.4mm OD

1шт.

4

5182714

TUBE

1шт.

5

5182702

GASKET,25mm ID x 33mm OD x 4mm Thk

1шт.

6

5182717

SNAP RING,1.5mm Thk

1шт.

7

5138952

NEEDLE BEARING,Needle, 25mm ID x 32mm OD x 26mm W

1шт.

8

5175983

SEALING RING,46mm ID

3шт.

9

87518135

HOUSING

1шт.

10

16044524

SCREW,Hex, M8 x 1.25 x 65mm, Cl 8.8

2шт.

11

84154647

PIN,6.2mm OD x 42.4mm L

1шт.

12

81454228

COTTER PIN,1/16" x .50" L

1шт.

13

87528159

LEVER

1шт.

14

10335010

DOWEL,M5 x 22

1шт.

15

10337610

DOWEL,M8 x 22

1шт.

16

87518169

BRACKET

1шт.

17

13831801

FLANGE NUT,Flanged, M5, 0.80 Pitch, 4.30mm High

1шт.

18

87518195

PIN,11.05mm OD x 23mm L

1шт.

19

87016469

HEX SOC SCREW,M5 x 25mm, Cl 8.8

1шт.

20

87391136

BRAKE BAND,23mm W x 1.0mm Thk

1шт.

21

83999379

PISTON

1шт.

22

83416164

O-RING,1.78mm Thk x 14mm ID, 70 Duro

1шт.

23

81866141

SPRING,Compression, 0.66"OD x 1.35" L

1шт.

24

47133069

GUIDE

1шт.

25

81871263

SNAP RING,3/4", Int

1шт.

26

5162252

GASKET,68mm ID x 75.5mm OD x 3.2mm Thk

1шт.

27

5182703

GASKET,119.55mm ID x 127mm OD x 3.2mm Thk

1шт.

28

5182697

PISTON

1шт.

29

5182696

PISTON RING,56mm ID x 72.99mm OD x 3mm Thk

1шт.

30

5168346

BELLEVILLE WASHER,56mm ID x 80mm OD x 3.3mm Thk

12шт.

31

5191304

RETAINER CUP,55mm ID x 66mm OD x 3mm Thk

1шт.

32

5191305

CIRCLIP,54mm ID

1шт.

33

5198796

CLUTCH PLATE,31.2mm Thk

ASSY, Incl 34, 35

1шт.

34

5163844

CLUTCH DRIVING PLATE,99mm ID x 140mm OD x 1.7mm Thk

8шт.

35

5173294

CLUTCH DISC,99mm ID x 152.6mm OD x 2mm Thk

8шт.

35

5173295

CLUTCH DISC,99mm ID x 152.6mm OD x 2.2mm Thk

1шт.

36

81864341

SPRING,148.35mm ID

8шт.

37

5198772

CLUTCH PLATE,94.5mm ID x 152.6mm OD x 9.5mm Thk

1шт.

38

5162251

CIRCLIP,142.5mm ID

1шт.

39

5182704

HUB

1шт.

Выбрано товаров: 41