Запчасти Case IH OPTUM 300 CVT (33.000.00[01]) - SECTION INDEX - BRAKES & CONTROLS (33) - BRAKES & CONTROLS

Схема запчастей Case IH OPTUM 300 CVT - (33.000.00[01]) - SECTION INDEX - BRAKES & CONTROLS (33) - BRAKES & CONTROLS
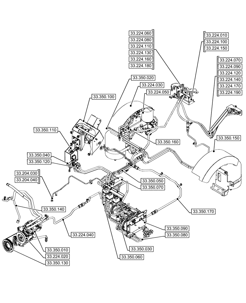
33.224.170
33.204.030
33.350.050
33.204.040
33.350.060
33.224.150
33.224.050
33.350.090
33.350.070
33.350.010
33.350.040
33.224.060
33.350.110
33.350.170
33.350.130
33.350.030
33.350.020
33.350.100
33.350.080
33.350.120
33.224.130
33.224.120
33.350.160
33.224.040
33.224.020
33.224.080
33.224.190
33.224.100
33.224.070
33.224.180
33.224.140
33.224.090
33.224.160
33.350.140
33.224.030
33.350.150
33.224.110
33.224.010
FIT
1:1
100%