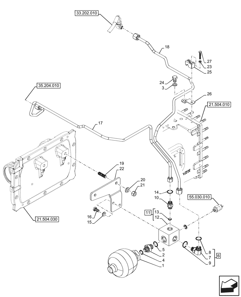
Запчасти Case IH OPTUM 300 CVT (33.202.040) - VAR - 758801, 758802, 758803, 758804, 758805, 758806, 758807 - BRAKE, ACCUMULATOR (33) - BRAKES & CONTROLS

Схема запчастей Case IH OPTUM 300 CVT - (33.202.040) - VAR - 758801, 758802, 758803, 758804, 758805, 758806, 758807 - BRAKE, ACCUMULATOR (33) - BRAKES & CONTROLS
21.504.030
16
4
13
12
10
3
1
14
8
23
25
9
27
20
19
2
26
17
24
15
11
22
21
5
6
18
7
35.204.010
33.202.010
55.030.010
21.504.010
FIT
1:1
100%

Артикул

Название

Примечание

Количество

1

5195043

ACCUMULATOR,0.75L

1шт.

2

5186462

HYD CONNECTOR,M18 x 1.5 x 43.5mm

1шт.

3

13507401

WASHER,12.2mm ID x 20mm OD x 2mm Thk

1шт.

4

14457280

O-RING,0.103" Thk x 0.612" ID, -114, Cl 5, 75 Duro

1шт.

5

14438085

O-RING,19.3mm ID x 2.4mm

1шт.

6

5185052

90 ELBOW,13/16"-16 x M18 x 1.5

ASSY, Incl 7 - 9

1шт.

7

NSS

NOT SOLD SEPARAT

Elbow 90°, Incl in 6

1шт.

8

5185511

O-RING,1.78mm Thk x 12.42mm ID, 85 Duro

1шт.

9

14437985

O-RING,15.3mm ID x 2.4mm

1шт.

10

47573153

FITTING,Hex, 9.5mm ID x 34.6mm L

1шт.

11

5199762

BLOCK

ASSY, Incl 12, 13

1шт.

12

NSS

NOT SOLD SEPARAT

Block, Incl in 11

1шт.

13

14453081

O-RING,0.07" Thk x 0.426" ID, -13, Cl 7, 75 Duro

1шт.

14

5183780

SEALING WASHER,9.73mm ID x 18mm OD x 1.5mm Thk

1шт.

15

86624176

WASHER,11mm ID x 20mm OD x 2mm Thk

2шт.

16

86637962

BOLT,Hex, M10 x 1.25 x 20mm, Cl 8.8, Full Thd

2шт.

17

47948006

BRAKE LINE

from Accumulator to Transmission Cover

1шт.

18

47719777

BRAKE LINE

from Accumulator to Master Cylinder

1шт.

19

13530021

STUD,M12 x 1.25 x 25mm L, Cl 8.8

2шт.

20

86625255

WASHER,13.3mm ID x 24.5mm OD x 3mm Thk

2шт.

21

12164911

NUT,M12 x 1.75, Cl 8

2шт.

22

47719752

BRACKET

1шт.

23

86588450

WASHER,6.6mm ID x 12mm OD x 1.6mm Thk

1шт.

24

15540224

SCREW,Hex, M12 x 1.25 x 20mm, Cl 8.8, Full Thd

1шт.

25

84368933

BRACKET

1шт.

26

47745631

BRACKET

1шт.

27

86977789

BOLT,Hex, M6 x 1.0 x 35mm, Cl 8.8

1шт.

Выбрано товаров: 0