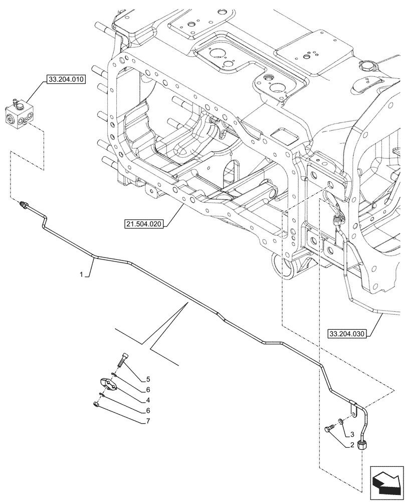
Запчасти Case IH OPTUM 300 CVT (33.204.040[01]) - VAR - 758796 - FRONT AXLE, W/ FRONT BRAKES, BRAKE LINE - END YR 09-FEB-2016 (33) - BRAKES & CONTROLS

Схема запчастей Case IH OPTUM 300 CVT - (33.204.040[01]) - VAR - 758796 - FRONT AXLE, W/ FRONT BRAKES, BRAKE LINE - END YR 09-FEB-2016 (33) - BRAKES & CONTROLS
3
1
2
6
6
4
5
33.204.010
33.204.030
21.504.020
7
FIT
1:1
100%

Артикул

Название

Примечание

Количество

1

47852468

PIPE

Front Brake

1шт.

2

86508568

BOLT,Hex, M6 x 1 x 16mm, Cl 8.8

1шт.

3

86588450

WASHER,6.6mm ID x 12mm OD x 1.6mm Thk

1шт.

4

87738904

CLAMP BRACKET

1шт.

5

14304321

HEX SOC SCREW,M5 x 20mm, Cl 8.8, Full Thd

1шт.

6

9824326

WASHER,5.3mm ID x 10mm OD x 1mm Thk

2шт.

7

15896411

NUT,Hex, M5, 4.70mm High, Cl 8

1шт.

Выбрано товаров: 7