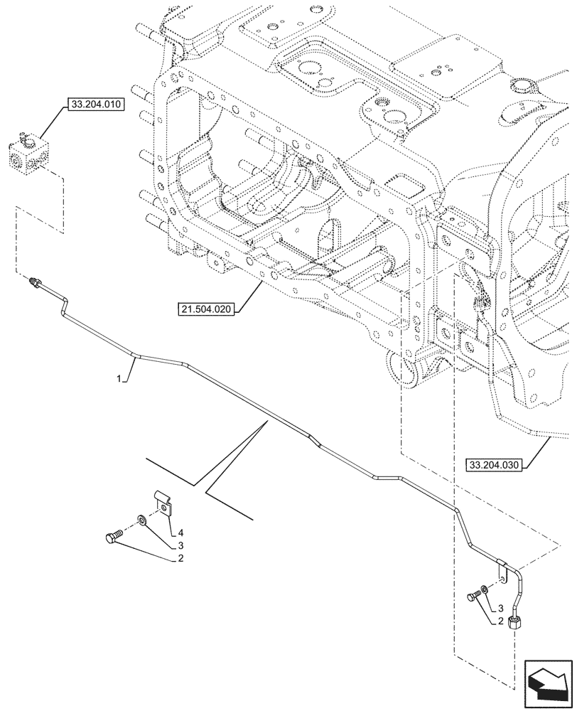
Запчасти Case IH OPTUM 300 CVT (33.204.040[01A]) - VAR - 758796 - FRONT AXLE, W/ FRONT BRAKES, BRAKE LINE - BEGIN YR 10-FEB-2016 (33) - BRAKES & CONTROLS

Схема запчастей Case IH OPTUM 300 CVT - (33.204.040[01A]) - VAR - 758796 - FRONT AXLE, W/ FRONT BRAKES, BRAKE LINE - BEGIN YR 10-FEB-2016 (33) - BRAKES & CONTROLS
21.504.020
3
3
2
4
2
1
33.204.030
33.204.010
FIT
1:1
100%

Артикул

Название

Примечание

Количество

1

47852468

PIPE

Front Brake

1шт.

2

86508568

BOLT,Hex, M6 x 1 x 16mm, Cl 8.8

2шт.

3

86588450

WASHER,6.6mm ID x 12mm OD x 1.6mm Thk

2шт.

4

84474589

BRACKET

1шт.

Выбрано товаров: 4