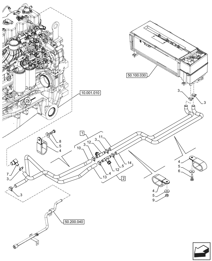
Запчасти Case IH OPTUM 300 CVT (50.100.010) - HEATER, LINE (50) - CAB CLIMATE CONTROL

Схема запчастей Case IH OPTUM 300 CVT - (50.100.010) - HEATER, LINE (50) - CAB CLIMATE CONTROL
10.001.010
5
3
10
14
6
13
3
1
2
3
4
3
9
3
5
7
4
12
11
3
4
5
4
5
12
8
50.200.040
50.100.030
FIT
1:1
100%

Артикул

Название

Примечание

Количество

1

47717483

TUBE

Heater, ASSY, Incl 3 (Qty 2), 10, 11, 12 (Qty 1)

1шт.

2

47717485

TUBE

Heater, ASSY, Incl 3 (Qty 2), 12 (Qty 1), 13, 14

1шт.

3

82019905

HOSE CLAMP,22 - 26mm X 12mm

4шт.

4

82023568

CLAMP,2 Hoses

3шт.

5

10523401

WASHER,6.15mm ID x 18mm OD x 2mm Thk

3шт.

6

82880748

SCREW,Pozidrive, Pan HD, M6 x 2 x 14mm, Cl 4.8

1шт.

7

87302771

ADAPTER

1шт.

8

120100

BOLT,M6 x 20mm, Cl 8.8

1шт.

9

9706755

NUT,M6, Cl 8

1шт.

10

47776357

TUBE

1шт.

11

47717481

TUBE

1шт.

12

47746978

TEE,11mm ID x 16mm ID

2шт.

13

47776356

TUBE

1шт.

14

47717484

TUBE

1шт.

Выбрано товаров: 14