Запчасти Case IH OPTUM 300 CVT (55.047.030) - VAR - 758796 - FRONT AXLE, W/ FRONT BRAKES, STEERING, SENSOR (55) - ELECTRICAL SYSTEMS

Схема запчастей Case IH OPTUM 300 CVT - (55.047.030) - VAR - 758796 - FRONT AXLE, W/ FRONT BRAKES, STEERING, SENSOR (55) - ELECTRICAL SYSTEMS
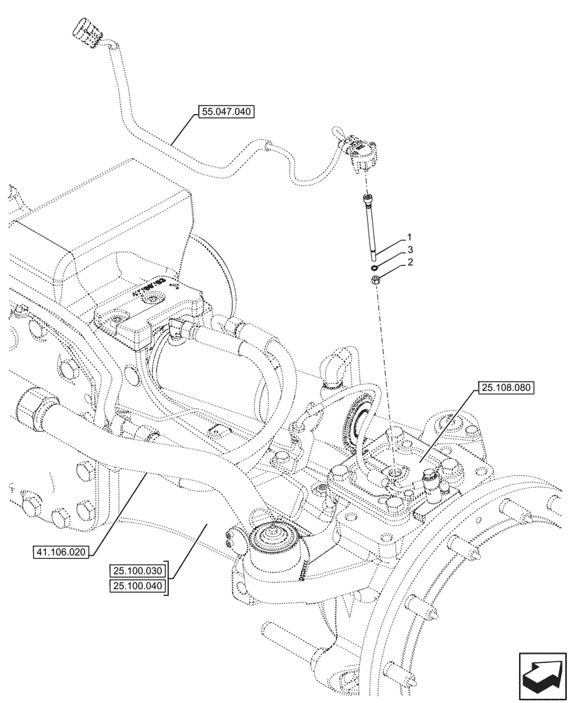
25.100.040
2
3
1
41.106.020
25.100.030
25.108.080
55.047.040
FIT
1:1
100%

Артикул

Название

Примечание

Количество

1

47692900

PIN,12.5mm OD x 124mm L

Steering Sensor

1шт.

2

12574211

NUT,M6 x 1, Cl 8

1шт.

3

86511345

O-RING,0.07" Thk x 0.18" ID, -8, Cl 5, 75 Duro

1шт.

Выбрано товаров: 3