Запчасти Case IH OPTUM 300 CVT (88.100.031[01]) - DIA KIT, FRONT PTO - CW (88) - ACCESSORIES

Схема запчастей Case IH OPTUM 300 CVT - (88.100.031[01]) - DIA KIT, FRONT PTO - CW (88) - ACCESSORIES
10.001.010
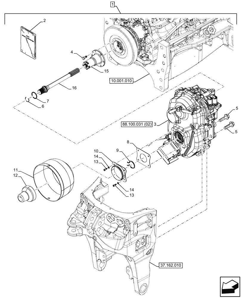
1
14
8
15
11
16
12
10
14
6
13
4
7
3
5
5
2
9
13
88.100.031 (02)
37.162.010
FIT
1:1
100%

Артикул

Название

Примечание

Количество

1

731034014

DIA KIT, TRACTOR

Front PTO 2 Speed CW, Incl 2 - 16

1шт.

2

47855099

INSTRUCTION

1шт.

3

47831822

FRONT PTO ASSY

CW, ASSY

1шт.

See Front PTO Components also in Figure 88.100.031 (02), (03), (04), (05), (06), (07)

1шт.

4

43260

BOLT,Hex, M12 x 1.75 x 30mm, Cl 10.9, Full Thd

6шт.

5

87035472

FLANGE BOLT,Hex Flg, M20 x 1.5 x 70, Cl 10.9

4шт.

6

47599055

SNAP RING,M40.9, Ext

1шт.

7

353108

O-RING,0.139" Thk x 1.296" ID, -219, Cl 5, 75 Duro

1шт.

8

47131825

GUARD

1шт.

9

87347166

SNAP RING,M45 x 3.12mm Thk, Ext

1шт.

10

5155332

SEAL PROTECTION,115mm ID x 122mm OD x 29mm Thk

1шт.

11

47599111

SHIELD

1шт.

12

47125899

COVER,109mm L

1шт.

13

14306324

HEX SOC SCREW,M8 x 1.25 x 20mm, Cl 8.8, Full Thd

4шт.

14

12601374

WAVE WASHER,Wave, 8.40mm ID x 15.00mm OD x 0.80mm, 3.00mm, CST, DAC

4шт.

15

47599042

DAMPER,139.95mm OD x 61.3mm ID x 145mm L

1шт.

16

47583915

DRIVE SHAFT,419.5mm L

Front PTO, 419.5mm

1шт.

Выбрано товаров: 17