Запчасти Case IH OPTUM 300 CVT (88.100.033[05]) - DIA KIT, AIR BRAKE, PNEUMATIC, LINE (88) - ACCESSORIES

Схема запчастей Case IH OPTUM 300 CVT - (88.100.033[05]) - DIA KIT, AIR BRAKE, PNEUMATIC, LINE (88) - ACCESSORIES
88.100.033 (06)
2
14
13
4
15
28
7
20
10
25
18
30
10
22
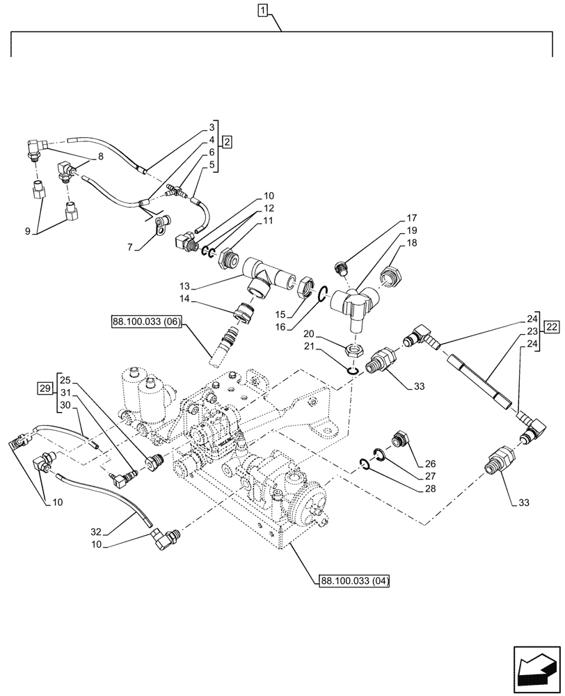
1
11
17
12
16
32
23
33
5
10
8
31
6
21
3
26
29
27
24
24
33
19
9
88.100.033 (04)
FIT
1:1
100%

Артикул

Название

Примечание

Количество

1

718264044

DIA KIT, TRACTOR

Pneumatic Air Brake Base Kit, Incl 2 - 33

1шт.

To See Full DIA KIT Composition Look for all the Figures Where the DIA KIT P/N Is Shown

1шт.

2

47935644

TUBE

ASSY, Feed to Solenoid, Incl 3 - 6

1шт.

3

NSS

NOT SOLD SEPARAT

Tube, Incl in 2

1шт.

4

NSS

NOT SOLD SEPARAT

Tube, Incl in 2

1шт.

5

NSS

NOT SOLD SEPARAT

Tube, Incl in 2

1шт.

6

87608839

HYD CONNECTOR,M6 x 1

1шт.

7

10450090

CLAMP,8mm, Coat, 9mm Bolt Hole, P Type

1шт.

8

87678122

HYD CONNECTOR,M10 x 1

2шт.

9

87678127

HYD CONNECTOR,M10 x 1, M12 x 1.5

2шт.

10

87678126

ELBOW,Hex, M12 x 1.4 x 28mm

4шт.

11

87570885

ADAPTER

1шт.

12

82019799

O-RING

2шт.

13

87714794

HYD CONNECTOR,M22 x 1.5

1шт.

14

82034157

ADAPTER

1шт.

15

82039004

LOCK NUT

1шт.

16

82039003

O-RING

1шт.

17

970659

PLUG,Hex, M12 x 1.5 x 17.3mm L

1шт.

18

82014913

PLUG,M22 x 1.5 x 9mm L

1шт.

19

87588083

HYD CONNECTOR,M16 x 1.5

1шт.

20

82019796

LOCK NUT

1шт.

21

82019797

O-RING,2.5mm Thk x 14mm ID

1шт.

22

47935642

TUBE

ASSY, DLCV to 2 Way Valve, Incl 23, 24

1шт.

23

NSS

NOT SOLD SEPARAT

Tube, Incl in 22

1шт.

24

87588080

90 ELBOW,NG8 x 12mm D

2шт.

25

87588079

HYD CONNECTOR,M16 x 1.5

1шт.

26

84157695

PLUG,Hex, M16 x 1.5 x 17mm L

1шт.

27

86010343

WASHER,Backing, 16.10mm, 19.50mm ID x 22.00mm OD x 2.60mm

1шт.

28

87392491

O-RING,2.5mm Thk x 14mm ID

1шт.

29

47782313

HOSE,6mm ID x 140mm L

ASSY, Solenoid to 2 Way Valve, Incl 30, 31

1шт.

30

NSS

NOT SOLD SEPARAT

Tube, Incl in 29

1шт.

31

82036158

ELBOW,9.1mm OD x 31.5mm, 6x1Tube

1шт.

32

47935643

TUBE

Solenoid to Check Valve

1шт.

33

87678128

ADAPTER

2шт.

Выбрано товаров: 34