Запчасти Case IH OPTUM 300 CVT (88.100.035[05]) - DIA KIT, 4/5TH REMOTE CONTROL VALVE (88) - ACCESSORIES

Схема запчастей Case IH OPTUM 300 CVT - (88.100.035[05]) - DIA KIT, 4/5TH REMOTE CONTROL VALVE (88) - ACCESSORIES
35.204.060
15
10
13
15
5
6
2
15
15
18
3
20
16
15
1
17
14
12
20
7
4
9
15
21
16
8
11
16
19
19
FIT
1:1
100%

Артикул

Название

Примечание

Количество

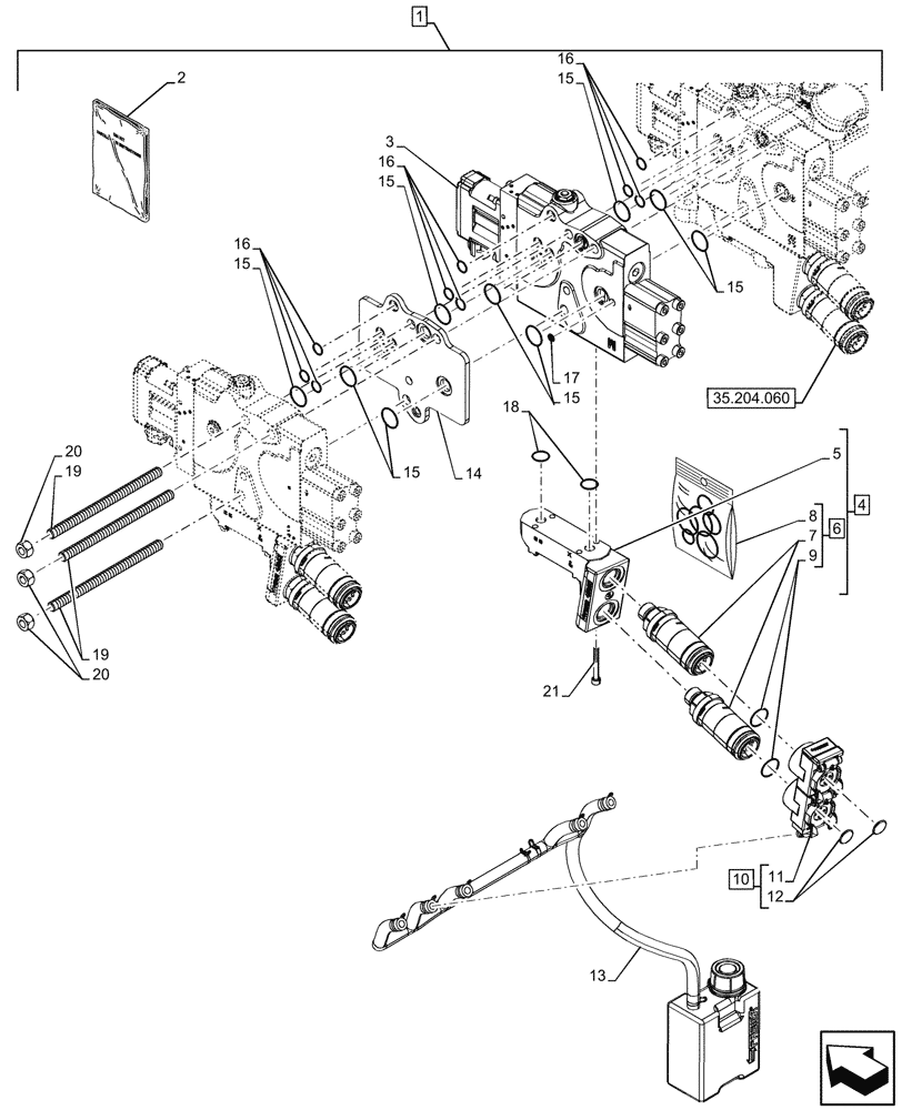
1

719412124

DIA KIT, TRACTOR

1 Additional Slice Compatible W/ Pos. 4 / 5, Incl 2 - 21

1шт.

2

47855084

INSTRUCTION

1шт.

3

47594399

HYDRAULIC VALVE

Main Low Leak, ASSY

1шт.

4

87596458

HYDRAULIC MANIFOLD

ASSY, Incl 5 - 9

1шт.

5

87599844

MANIFOLD VALVE

1шт.

6

47370116

COUPLING

ASSY, Incl 7 - 9

2шт.

7

NSS

NOT SOLD SEPARAT

Quick Coupler, Incl in 6

2шт.

8

87382012

SEAL KIT

1шт.

9

14438085

O-RING,19.3mm ID x 2.4mm

2шт.

10

47617738

ASSY, Double Black, Incl 11, 12

CAP

1шт.

11

84253930

DUST CAP,56.5mm H x 128mm L x 39.5mm Thk

1шт.

12

82029895

DISC,20mm D, Black

Black

2шт.

13

47756499

BOTTLE

Oil Collection, 5 Remotes

1шт.

14

84539946

PLATE

1шт.

15

87635382

O-RING,2.62mm Thk x 20.29mm ID, -117, 80 Duro

9шт.

16

87635379

O-RING,2.62mm Thk x 9.19mm ID, -110, 80 Duro

9шт.

17

87635376

O-RING,2.62mm Thk x 3.63mm ID, -105, 80 Duro

2шт.

18

87635381

O-RING,2.62mm Thk x 15.54mm ID, -114, 80 Duro

2шт.

19

87604618

STUD,M12 x 1.75 x 185mm

3шт.

20

829-1312

NUT,M12 x 1.75, Cl 10

3шт.

21

864-6045

HEX SOC SCREW,M6 x 45mm, Cl 8.8

4шт.

Выбрано товаров: 21